Operation CHARM: Car repair manuals for everyone.
Manuals through 2025 now available!

Our trusted friends have launched a new website named LEMON, which has newer manuals. It also contains all the CHARM manuals.

LEMON is the spiritual successor to CHARM, I recommend you try it!

Link: lemon-manuals.la or lemon-manuals.org.ua

(Some people have issue connecting. LEMON is investigating. For now, use Firefox or change your DNS server)

Or, hide this message: temporarily or permanently

HVAC Module Assembly Replacement - Auxiliary

HVAC MODULE REPLACEMENT - AUXILIARY

REMOVAL PROCEDURE




1. Recover the refrigerant. Refer to Refrigerant Recovery and Recharging. Service and Repair
2. Drain the cooling system. Refer to Draining and Filling Cooling System in Cooling System. Service and Repair
3. Raise and support the vehicle. Refer to Lifting and Jacking the Vehicle in Vehicle Lifting.
4. Remove the rear A/C line block fitting bolt.

IMPORTANT: Cap or tape the open A/C refrigerant lines immediately.

5. Disconnect the A/C line block fitting, remove and discard the O-ring seals, and cap or tape the lines to prevent contamination of the system.




6. Disconnect the heater hoses quick disconnects.
7. Lower the vehicle.
8. Remove the left side quarter trim.




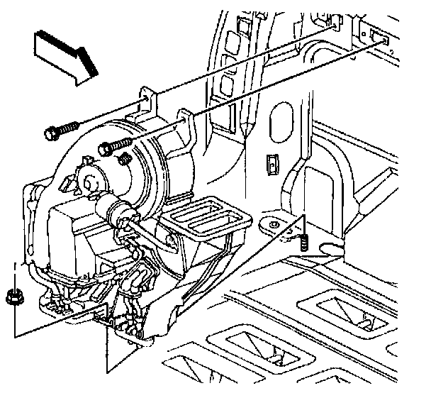
9. Disconnect the following items at the HVAC module:
^ The electrical connectors (1,2)
^ The vacuum line (3)
10. Disconnect the rear compartment air outlet duct from the HVAC module.
11. Remove the mounting bolts and the nut from the HVAC module.




12. Remove the HVAC module.
13. Remove and discard the HVAC module to body seals.

INSTALLATION PROCEDURE




1. Install new HVAC module to body seals.
2. Install the HVAC module

NOTE: Refer to Fastener Notice in Service Precautions.

3. Install the HVAC module mounting bolts and the nut.

Tighten
Tighten the bolts and the nut to 10 N.m (89 lb in).

4. Reconnect the rear compartment air outlet duct.




5. Connect the following items at the heater A/C module:
^ The electrical connectors (1,2)
^ The vacuum line (3)
6. Install the left side quarter trim panel.
7. Raise and support the vehicle. Refer to Lifting and Jacking the Vehicle in Vehicle Lifting.




8. Connect both of the heater hoses to the pipes.
9. Remove the cap or tape from the A/C lines.
10. Using a lint-free clean, dry cloth, carefully clean the sealing surfaces of the A/C lines.




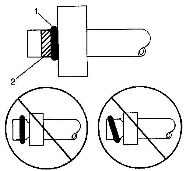
11. Lightly coat the new O-ring seals (1) with mineral base 525 viscosity refrigerant oil.

IMPORTANT: DO NOT allow any of the mineral base 525 viscosity refrigerant oil on the new O-ring seals to enter the refrigerant system.

12. Carefully slide the new O-ring seal (1) onto the A/C line until seated.
Allow a light coating of the refrigerant oil to remain on the A/C line in the area indicated (2) ONLY.




13. Install the rear A/C line block fitting bolt.

Tighten
Tighten the bolt to 20 N.m (15 lb ft).

14. Lower the vehicle.
15. Refill the coolant. Refer to Draining and Filling Cooling System in Cooling System. Service and Repair
16. Evacuate and charge the system. Refer to Refrigerant Recovery and Recharging. Service and Repair
17. Leak test the A/C system. Refer to Leak Testing. Leak Testing