Operation CHARM: Car repair manuals for everyone.
Manuals through 2025 now available!

Our trusted friends have launched a new website named LEMON, which has newer manuals. It also contains all the CHARM manuals.

LEMON is the spiritual successor to CHARM, I recommend you try it!

Link: lemon-manuals.la or lemon-manuals.org.ua

(Some people have issue connecting. LEMON is investigating. For now, use Firefox or change your DNS server)

Or, hide this message: temporarily or permanently

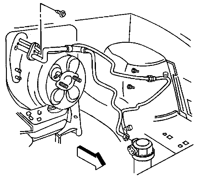
HVAC Module Assembly Replacement

HVAC MODULE ASSEMBLY REPLACEMENT

REMOVAL PROCEDURE




1. Drain the cooling system. Refer to Draining and Filling Cooling System in Cooling System. Service and Repair
2. Recover the refrigerant. Refer to Refrigerant Recovery and Recharging. Service and Repair
3. Remove the body hinge pillar tie bar-cross car beam. Refer to Cross Vehicle Beam Replacement in Body and Frame.
4. Disconnect the A/C lines at the evaporator block fitting.




5. Disconnect the heater hoses at the heater core.




6. Remove the heater A/C module to dash nuts.
7. Remove the heater A/C module bracket bolts.
8. Remove the vacuum hoses.
9. Disconnect the electrical connectors.
10. Remove the heater A/C module.




11. Remove the outer module seals.

INSTALLATION PROCEDURE




1. Install all of the outer module seals.




2. Install the heater A/C module.
3. Connect the electrical connectors.
4. Install the vacuum hoses.

NOTE: Refer to Fastener Notice in Service Precautions.

5. Install the heater A/C module bracket bolts.

Tighten
Tighten the bolts to 20 N.m (14 lb ft).

6. Install the heater A/C module to dash nuts.

Tighten
Tighten the nuts to 10 N.m (89 lb in).




7. Install the heater hoses at the heater core.




8. Connect the A/C lines at the evaporator block fittings.

Tighten
Tighten the bolt to 16 N.m (12 lb ft).

9. Install the body hinge pillar tie bar-cross car beam. Refer to Cross Vehicle Beam Replacement in Body and Frame.
10. Evacuate, charge and leak test the system. Refer to Refrigerant Recovery and Recharging. Service and Repair
11. Fill the coolant system. Inspect the coolant system for leaks. Refer to Draining and Filling Cooling System in Cooling System. Service and Repair