Operation CHARM: Car repair manuals for everyone.
Manuals through 2025 now available!

Our trusted friends have launched a new website named LEMON, which has newer manuals. It also contains all the CHARM manuals.

LEMON is the spiritual successor to CHARM, I recommend you try it!

Link: lemon-manuals.la or lemon-manuals.org.ua

(Some people have issue connecting. LEMON is investigating. For now, use Firefox or change your DNS server)

Or, hide this message: temporarily or permanently

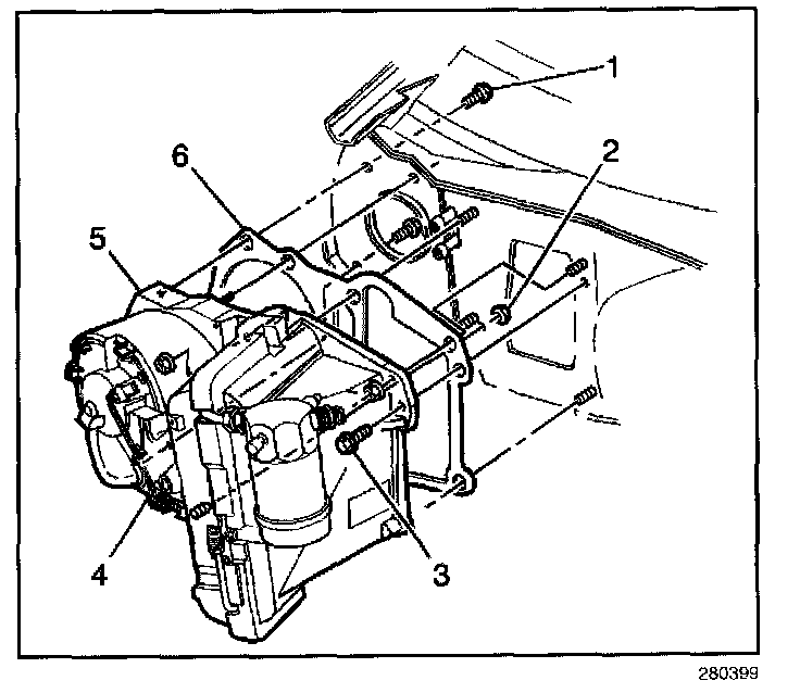
Blower Motor Relay: Service and Repair

BLOWER MOTOR RELAY REPLACEMENT

REMOVAL PROCEDURE

IMPORTANT: The blower motor relay that is used on the M/L van is an integral part of the blower motor resistor and can not be serviced separately from the resistor.




1. Remove the air cleaner.
2. Remove the windshield washers and the coolant reservoir.
3. Disconnect the electrical connectors.
4. Remove the screws from the blower motor resistor assembly.
5. Remove the blower motor resistor assembly (4).

INSTALLATION PROCEDURE




1. Install the blower motor resistor assembly (4).

NOTE: Refer to Fastener Notice in Service Precautions.

2. Install the screws to the blower motor resistor assembly.

Tighten
Tighten the blower motor resistor assembly screws to 2 N.m (18 lb in).

3. Install the windshield washers and the coolant reservoir.
4. Connect the electrical connectors.
5. Install the air cleaner.