Operation CHARM: Car repair manuals for everyone.
Manuals through 2025 now available!

Our trusted friends have launched a new website named LEMON, which has newer manuals. It also contains all the CHARM manuals.

LEMON is the spiritual successor to CHARM, I recommend you try it!

Link: lemon-manuals.la or lemon-manuals.org.ua

(Some people have issue connecting. LEMON is investigating. For now, use Firefox or change your DNS server)

Or, hide this message: temporarily or permanently

Compressor Replacement

TOOLS REQUIRED
J 39400-A Halogen Leak Detector

REMOVAL PROCEDURE




1. Remove the air cleaner.
2. Remove the upper half of the fan shroud.
3. Recover the refrigerant from the system. Refer to Refrigerant Recovery and Recharging.
4. Disconnect the electrical connector (1) from the coil.
5. Remove the drive belt.
6. Remove the engine cover.
7. Remove the oil filler tube.




8. Disconnect the electrical connector (2) from the A/C compressor high pressure cutoff switch.




9. Remove the compressor hose assembly bolt (3) from the compressor.
10. Remove the compressor hose assembly seal washers.




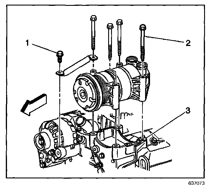
11. Remove the compressor brace bolt (1).
12. Remove the compressor bolts (2).
13. Remove the compressor brace.
14. Remove the compressor from the vehicle.
15. Drain and measure the compressor oil.
16. When replacing the oil in the compressor check for contamination or metal particles in the oil. If contamination is found replace the orifice.

INSTALLATION PROCEDURE

IMPORTANT: The compressor is shipped without oil.




1. Follow the instruction sheets shipped with the air compressor, if not available, do the following to add oil to the compressor:
1.1. Prior to installing the replacement compressor, drain the refrigerant oil from the removed compressor into a clean, calibrated measuring container.
1.2. Record the amount of oil removed from the old compressor.
1.3. If the amount of oil drained from the old compressor is less then or equal to 60 ml (2 fl oz) add 60 ml (2 fl oz) of new clean oil to the new compressor.
1.4. If the amount of oil drained from the old compressor is greater then 60 ml (2 fl oz) add the same amount of new clean oil to the new compressor.
2. Install the compressor to the vehicle.
3. Install the compressor brace.

NOTE: Refer to Fastener Notice in Service Precautions.

4. Install the compressor bolts (2).

Tighten
Tighten the compressor bolts to 50 N.m (37 lb ft).

5. Install the compressor brace bolt (1).

Tighten
Tighten the compressor brace bolt to 25 N.m (18 lb ft).

6. Install the compressor hose assembly seal washers.




7. Install the compressor hose assembly bolt (3) to the compressor.

Tighten
The compressor hose assembly bolt (3) to the compressor to 34 N.m (25 lb ft).




8. Connect the electrical connector (2) to the A/C compressor high pressure cutoff switch.




9. Install the oil filler tube.
10. Install the drive belt.
11. Install the engine cover.
12. Connect the electrical connectors (1) to the coil.
13. Evacuate and recharge the refrigerant system. Refer to Refrigerant Recovery and Recharging.
14. Leak test the fittings of the component using the J 39400-A.
15. Install the upper half of the fan shroud.
16. Install the air cleaner.