Operation CHARM: Car repair manuals for everyone.
Manuals through 2025 now available!

Our trusted friends have launched a new website named LEMON, which has newer manuals. It also contains all the CHARM manuals.

LEMON is the spiritual successor to CHARM, I recommend you try it!

Link: lemon-manuals.la or lemon-manuals.org.ua

(Some people have issue connecting. LEMON is investigating. For now, use Firefox or change your DNS server)

Or, hide this message: temporarily or permanently

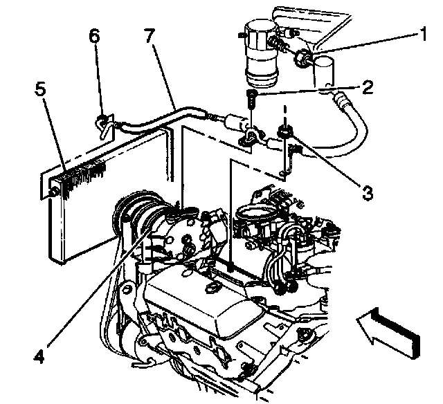
Compressor Sealing Washers Replacement

TOOLS REQUIRED
J 39400-A Halogen Leak Detector

REMOVAL PROCEDURE




1. Remove air cleaner.
2. Recover the refrigerant from the system. Refer to Refrigerant Recovery and Recharging.
3. Remove the compressor hose assembly bolt (3) from the compressor.




4. Remove the compressor hose assembly (7) from the compressor in order to expose the sealing washers.




5. Remove the sealing washers (1).

INSTALLATION PROCEDURE




1. Clean the following locations with a lint-free rag before installing the sealing washers:
^ The sealing surfaces of the washers
^ The hose block
^ The compressor ports

IMPORTANT: Do not reuse the sealing washer.

2. Do not oil the sealing washers prior to assembly.
Install the sealing washer onto the pilots of the suction/discharge block fitting. Ensure that the washers are seated against the surface of the block fitting.
3. Install the sealing washers (1).




4. Install the compressor hose assembly (7) to the compressor. Verify that the sealing washers are seated within the compressor's machined surfaces.
5. Hold the block in place while hand tightening the attachment bolt.

NOTE: Refer to Fastener Notice in Service Precautions.




6. Install the compressor hose assembly bolt (3) to the compressor.

Tighten
Tighten the compressor hose assembly bolt to 34 N.m (25 lb ft).

7. Evacuate and recharge the system. Refer to Refrigerant Recovery and Recharging.
8. Leak test the fittings of the component using the J 39400-A.
9. Install the air cleaner.