Operation CHARM: Car repair manuals for everyone.
Manuals through 2025 now available!

Our trusted friends have launched a new website named LEMON, which has newer manuals. It also contains all the CHARM manuals.

LEMON is the spiritual successor to CHARM, I recommend you try it!

Link: lemon-manuals.la or lemon-manuals.org.ua

(Some people have issue connecting. LEMON is investigating. For now, use Firefox or change your DNS server)

Or, hide this message: temporarily or permanently

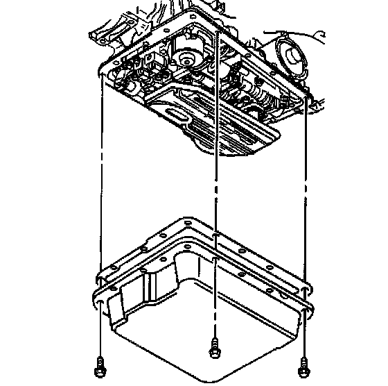
Fluid Filter - A/T: Service and Repair

Automatic Transmission Fluid/Filter Replacement

Removal Procedure

Caution: When the transmission is at operating temperatures, take necessary precautions when removing the drain plug, to avoid being burned by draining fluid.





1. Raise and support the vehicle. Refer to Vehicle Lifting.
2. Place a drain pan under the transmission oil pan.
3. Remove the oil pan drain plug, if equipped.
4. If necessary, remove the bolts and position aside the range selector cable bracket for clearance while lowering the pan. It is not necessary to remove the cable from the lever or bracket.
5. Remove the oil pan bolts from the front and sides of the pan only.
6. Loosen the rear oil pan bolts approximately 4 turns.
7. Lightly tap the oil pan with a rubber mallet in order to loosen the pan to allow the fluid to drain.





8. Remove the remaining oil pan bolts.





9. Remove the oil pan and the gasket.





10. Grasp firmly while pulling down with a twisting motion in order to remove the filter.





11. Remove the filter seal. The filter seal may be stuck in the pump; if necessary, carefully use pliers or another suitable tool to remove the seal.
12. Discard the seal.
13. Inspect the fluid color.
14. Inspect the filter. Pry the metal crimping away from the top of the filter and pull apart. The filter may contain the following evidence for root cause diagnosis:
^ Clutch material
^ Bronze slivers indicating bushing wear
^ Steel particles
15. Clean the transmission case and the oil pan gasket surfaces with solvent, and air dry. You must remove all traces of the old gasket material.

Installation Procedure





1. Coat the new filter seal with automatic transmission fluid.
2. Install the new filter seal into the transmission case. Tap the seal into place using a suitable size socket.
3. Install the new filter into the case.





4. Install the oil pan and a new gasket.

Notice: Refer to Fastener Notice in Service Precautions.





5. Install the oil pan bolts.
Tighten the oil pan to transmission case bolts alternately and evenly to 11 Nm (97 inch lbs.).
6. If previously removed, install the range selector cable bracket and bolts.
Tighten the bolts to 25 Nm (18 ft. lbs.).
7. Apply a small amount of sealant GM P/N 12346004 to the threads of the oil pan drain plug, if equipped.
8. Install the oil pan drain plug, if equipped.
Tighten the oil pan drain plug to 18 Nm (13 ft. lbs.).
9. Lower the vehicle.
10. Fill the transmission to the proper level with DEXRON(R) III transmission fluid.
11. Check the COLD fluid level reading for initial fill only.
12. Inspect the oil pan gasket for leaks.