Operation CHARM: Car repair manuals for everyone.
Manuals through 2025 now available!

Our trusted friends have launched a new website named LEMON, which has newer manuals. It also contains all the CHARM manuals.

LEMON is the spiritual successor to CHARM, I recommend you try it!

Link: lemon-manuals.la or lemon-manuals.org.ua

(Some people have issue connecting. LEMON is investigating. For now, use Firefox or change your DNS server)

Or, hide this message: temporarily or permanently

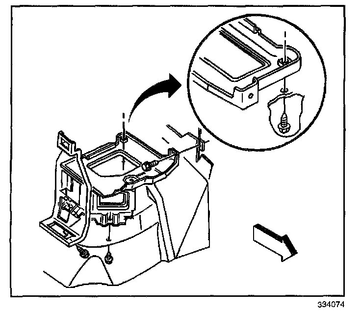
Battery Tray Replacement

REMOVAL PROCEDURE




1. Remove the battery.
2. Disconnect the VCM retaining clip and position the VCM away from the battery tray.




3. Remove the battery tray retaining bolts.
4. Remove the battery tray.

INSTALLATION PROCEDURE




1. Install the battery tray.

NOTE: Refer to Fastener Notice in Service Precautions.

2. Install the battery tray retaining bolts.

Tighten
Tighten the battery tray retaining bolts to 25 N.m (18 lb ft).




3. Install the VCM and the VCM retaining clip.
4. Install the battery.