Operation CHARM: Car repair manuals for everyone.
Manuals through 2025 now available!

Our trusted friends have launched a new website named LEMON, which has newer manuals. It also contains all the CHARM manuals.

LEMON is the spiritual successor to CHARM, I recommend you try it!

Link: lemon-manuals.la or lemon-manuals.org.ua

(Some people have issue connecting. LEMON is investigating. For now, use Firefox or change your DNS server)

Or, hide this message: temporarily or permanently

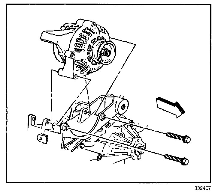
Alternator: Service and Repair

GENERATOR REPLACEMENT

REMOVAL PROCEDURE

CAUTION: Refer to Battery Disconnect Caution in Service Precautions.




1. Disconnect the battery negative cable.
2. Remove the air cleaner assembly.
3. Remove the drive belt.
4. Disconnect the regulator electrical connector.
5. Remove the generator front mounting bolts.
6. Remove the generator rear mounting bolt.
7. Remove the generator output (BAT) terminal nut.
8. Remove the generator.

INSTALLATION PROCEDURE




1. Position the generator on the vehicle.

NOTE: Refer to Fastener Notice in Service Precautions.

2. Loosely install the mounting bolts.
3. Install the generator output (BAT) lead.
4. Loosely install the generator output (BAT) nut.

Tighten
^ Tighten the mounting bolts to 50 N.m (37 lb ft).
^ Tighten the generator output (BAT) terminal nut to 20 N.m (15 lb ft).

5. Connect the regulator electrical connector.
6. Install the drive belt.
7. Install the air cleaner.
8. Connect the battery negative cable.