Operation CHARM: Car repair manuals for everyone.
Manuals through 2025 now available!

Our trusted friends have launched a new website named LEMON, which has newer manuals. It also contains all the CHARM manuals.

LEMON is the spiritual successor to CHARM, I recommend you try it!

Link: lemon-manuals.la or lemon-manuals.org.ua

(Some people have issue connecting. LEMON is investigating. For now, use Firefox or change your DNS server)

Or, hide this message: temporarily or permanently

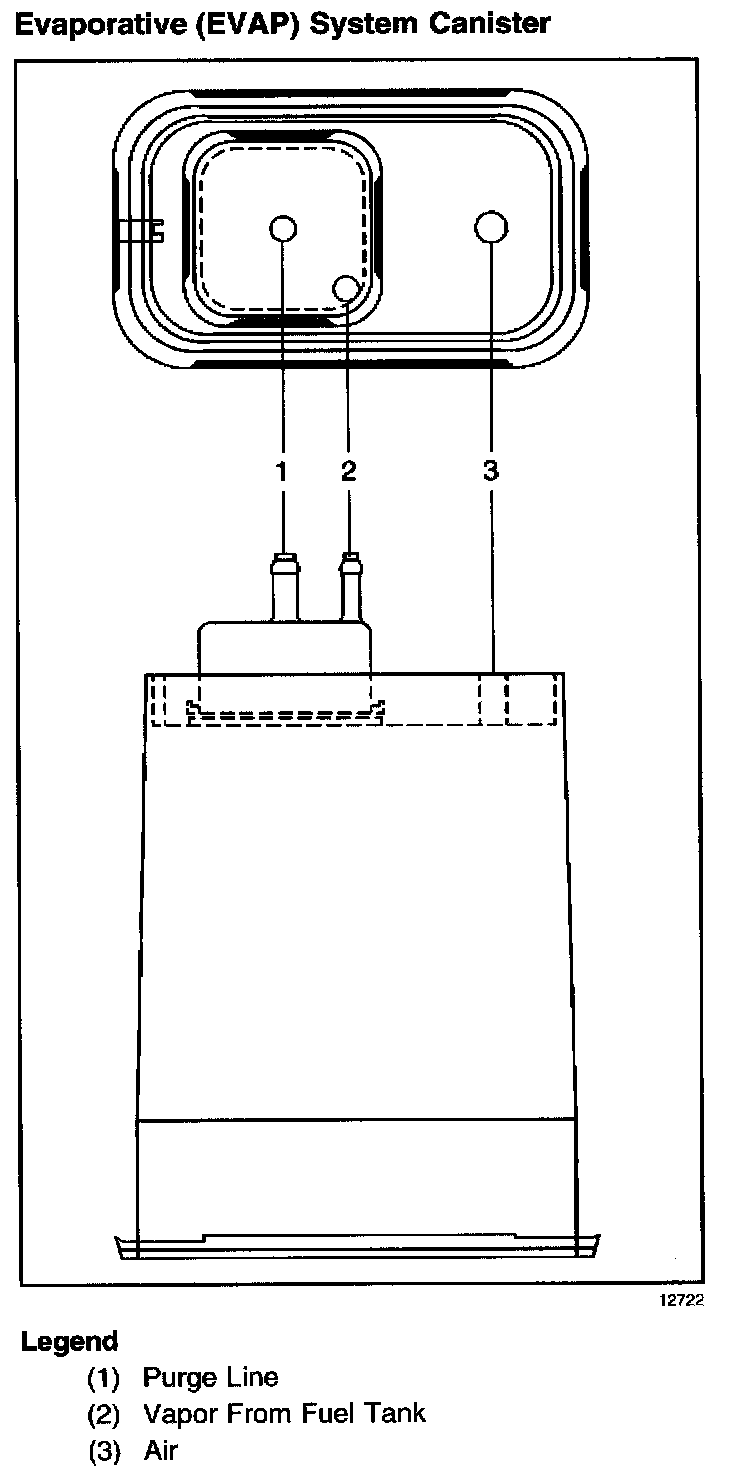
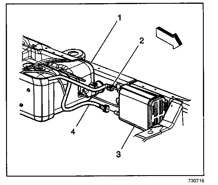
EVAP Canister

Evaporative (EVAP) System Canister:







The canister is filled with carbon pellets used to absorb and store fuel vapors. Fuel vapor is stored in the canister until the control module determines that the vapor can be consumed in the normal combustion process.