Operation CHARM: Car repair manuals for everyone.
Manuals through 2025 now available!

Our trusted friends have launched a new website named LEMON, which has newer manuals. It also contains all the CHARM manuals.

LEMON is the spiritual successor to CHARM, I recommend you try it!

Link: lemon-manuals.la or lemon-manuals.org.ua

(Some people have issue connecting. LEMON is investigating. For now, use Firefox or change your DNS server)

Or, hide this message: temporarily or permanently

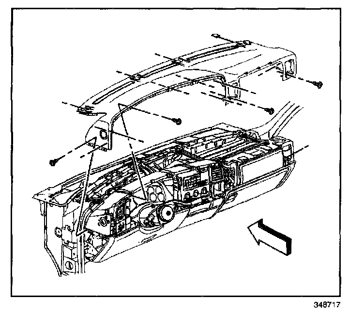
Keyless Entry Receiver: Service and Repair

REMOTE CONTROL DOOR LOCK RECEIVER REPLACEMENT

REMOVAL PROCEDURE




1. Remove the Instrument Panel (IP) top cover.




2. Remove the module. Unsnap the 2 lock arms.
3. Disconnect the electrical connector.

INSTALLATION PROCEDURE




1. Connect the electrical connector.
2. Install the module starting with the large tang-tilt. Snap the 2 lock arms into the square holes.




3. Install the instrument panel (IP) top cover.