Operation CHARM: Car repair manuals for everyone.
Manuals through 2025 now available!

Our trusted friends have launched a new website named LEMON, which has newer manuals. It also contains all the CHARM manuals.

LEMON is the spiritual successor to CHARM, I recommend you try it!

Link: lemon-manuals.la or lemon-manuals.org.ua

(Some people have issue connecting. LEMON is investigating. For now, use Firefox or change your DNS server)

Or, hide this message: temporarily or permanently

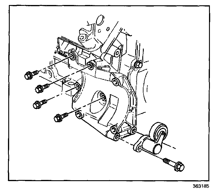
Compressor Mounting Bracket Replacement

REMOVAL PROCEDURE




1. Remove the A/C compressor.
2. Remove the A/C compressor bracket mounting bolts.
3. Remove the A/C compressor bracket.

INSTALLATION PROCEDURE




1. Install the A/C compressor bracket.

NOTE: Refer to Fastener Notice in Service Precautions.

2. Install the A/C compressor bracket mounting bolts.

Tighten
Tighten the bolts to 50 N.m (37 lb ft).

3. Install the A/C compressor.