Operation CHARM: Car repair manuals for everyone.
Manuals through 2025 now available!

Our trusted friends have launched a new website named LEMON, which has newer manuals. It also contains all the CHARM manuals.

LEMON is the spiritual successor to CHARM, I recommend you try it!

Link: lemon-manuals.la or lemon-manuals.org.ua

(Some people have issue connecting. LEMON is investigating. For now, use Firefox or change your DNS server)

Or, hide this message: temporarily or permanently

Fuel System



FUEL SYSTEM DESCRIPTION

Fuel System Overview
The fuel tank stores the fuel supply. An electric fuel pump, located in the fuel tank with the fuel sender assembly, pumps fuel through an in-line fuel filter to the fuel rail assembly. The pump provides fuel at a higher pressure than is needed by the injectors. The fuel pressure regulator, part of the fuel rail assembly, keeps fuel available to the injectors at a regulated pressure. A separate pipe returns the unused fuel to the fuel tank.

Fuel Tanks
The fuel tanks store the fuel supply. The primary fuel tank is located in the rear of the vehicle on the left side. On dual-tank applications, the secondary fuel tank is located in the rear of the vehicle above the spare tire. The fuel tanks are each held in place by 2 metal straps that attach to the frame. The fuel tanks are molded from high density polyethylene.

Fuel Fill Pipe
The fuel fill pipe has a built-in restrictor and deflector in order to prevent refueling with leaded fuel. When refueling dual-tank applications, fuel first enters the secondary tank, and then flows to the primary tank.

Fuel Filler Cap

Fuel Filler Cap:






The fuel fill pipe has a tethered fuel filler cap. A torque-limiting device prevents the cap from being over tightened. To install the cap, turn the cap clockwise until you hear clicks. This indicates that the cap is correctly torqued and fully seated. A built-in device indicates that the fuel filler cap is fully seated. A fuel filler cap that is not fully seated may cause a malfunction in the emission system.

Fuel Sender Assembly

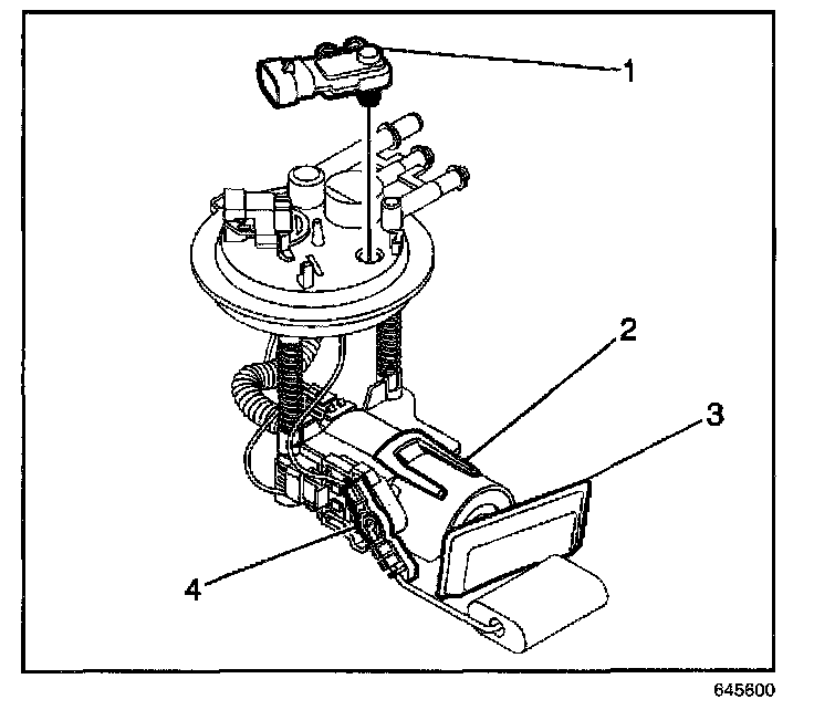
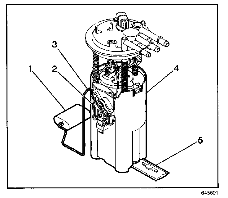
Fuel Sender Assembly:






The fuel sender assembly on single tank applications consists of the following major components:
The fuel level sensor (6)
The fuel tank pressure (FTP) sensor (1)
The fuel tank fuel pump module (2)
The fuel strainer (3)






The primary fuel sender on dual tank applications consists of the following major components:
The fuel level sensor (2).
The fuel tank fuel pump module (4).
The fuel strainer (5).






The secondary fuel sender on dual tank applications consists of the following major components:
The fuel level sensor (4)
The fuel tank pressure sensor (1)
The secondary fuel pump (2)

Fuel Level Sensor

Fuel Level Sensor:






The fuel level sensor consists of a float, a wire float arm, and a ceramic resistor cord. The position of the float arm indicates the fuel level. The fuel level sensor contains a variable resistor, which changes resistance in correspondence to the amount of fuel in the fuel tank. The powertrain control module (PCM) sends the fuel level information via the class 2 circuit to the instrument panel (IP) cluster. This information is used for the IP fuel gauge and the low fuel warning indicator, if applicable. The PCM also monitors the fuel level input for various diagnostics.

Primary Fuel Pump
The primary fuel pump is mounted in the fuel sender assembly reservoir. The primary fuel pump is an electric high pressure pump. Fuel is pumped to the fuel rail at a specified flow and pressure. Excess fuel from the fuel rail assembly returns to the fuel tank through the fuel return pipe. The fuel pump delivers a constant flow of fuel to the engine even during low fuel conditions and aggressive vehicle maneuvers. The powertrain control module (PCM) controls the electric fuel pump operation through a fuel pump relay. The fuel pump flex pipe acts to dampen the fuel pulses and noise generated by the fuel pump.

Secondary Fuel Pump (Dual Tank Applications Only)
On dual tank applications, the secondary fuel pump is located in the secondary fuel tank. The secondary fuel pump is powered by a secondary fuel pump relay when the fuel level drops below a predetermined value. Fuel is transferred from the secondary fuel tank to the primary fuel tank in order to ensure all of the usable fuel volume is available to the primary fuel pump. The secondary fuel pump relay supply voltage is received from the primary fuel pump relay when the primary fuel pump is energized.

Fuel Strainer
The fuel strainer attaches to the lower end of the fuel sender. The fuel strainer is made of woven plastic. The functions of the fuel strainer are to filter contaminants and to wick fuel. The fuel strainer is self-cleaning and normally requires no maintenance. Fuel stoppage at this point indicates that the fuel tank contains an abnormal amount of sediment or water.

In-Line Fuel Filter

In - Line Fuel Filter:






The fuel filter is located on the fuel feed pipe, between the fuel pump and the fuel injectors. The paper filter element (2) traps particles in the fuel that may damage the injection system. The filter housing (1) is made to withstand maximum fuel system pressure, exposure to fuel additives, and changes in temperature.

Fuel Feed and Return Pipes
The fuel feed pipe carries fuel from the fuel tank to the fuel rail assembly. The fuel return pipe carries fuel from the fuel rail assembly back to the fuel tank. The fuel pipes consist of 2 sections:
The rear fuel pipe assemblies are located from the top of the fuel tank to the chassis fuel pipes. The rear fuel pipes are constructed of nylon.
The chassis fuel pipes are located under the vehicle and connect the rear fuel pipes to the fuel rail pipes. These pipes are constructed of steel with sections of rubber hose covered with braiding.

Nylon Fuel Pipes

Caution: In order to reduce the risk of fire and personal injury observe the following items:
Replace all nylon fuel pipes that are nicked, scratched or damaged during installation, do not attempt to repair the sections of the nylon fuel pipes
Do not hammer directly on the fuel harness body clips when installing new fuel pipes. Damage to the nylon pipes may result in a fuel leak.
Always cover nylon vapor pipes with a wet towel before using a torch near them. Also, never expose the vehicle to temperatures higher than 115°C (239°F) for more than one hour, or more than 90°C (194°F) for any extended period.
Apply a few drops of clean engine oil to the male pipe ends before connecting fuel pipe fittings. This will ensure proper reconnection and prevent a possible fuel leak. (During normal operation, the O-rings located in the female connector will swell and may prevent proper reconnection if not lubricated.)


Nylon pipes are constructed to withstand maximum fuel system pressure, exposure to fuel additives, and changes in temperature. There are 3 sizes of nylon pipes used: 9.5 mm (3/8 in.) ID for the fuel feed, 7.9 mm (5/16 in.) ID for the fuel return, and 12.7 mm (1/2 in.) ID for the vent. Heat resistant rubber hose or corrugated plastic conduit protect the sections of the pipes that are exposed to chafing, to high temperatures, or to vibration.

Nylon fuel pipes are somewhat flexible and can be formed around gradual turns under the vehicle. However, if nylon fuel pipes are forced into sharp bends, the pipes kink and restrict the fuel flow. Also, once exposed to fuel, nylon pipes may become stiffer and are more likely to kink if bent too far. Take special care when working on a vehicle with nylon fuel pipes.

Quick-Connect Fittings
Quick-connect fittings provide a simplified means of installing and connecting fuel system components. The fittings consist of a unique female connector and a compatible male pipe end. O-rings, located inside the female connector, provide the fuel seal. Integral locking tabs inside the female connector hold the fittings together.

Fuel Pipe O-Rings
O-rings seal the threaded connections in the fuel system. Fuel system O-ring seals are made of special material. Service the O-ring seals with the correct service part.

Fuel Rail Assembly

Fuel Rail Assembly:






The fuel rail assembly attaches to the engine intake manifold. The fuel rail assembly performs the following functions:
Positions the injectors (3) in the intake manifold
Distributes fuel evenly to the injectors
Integrates the fuel pressure regulator (2) with the fuel metering system

Fuel Pressure Regulator Assembly

Fuel Pressure Regulator Assembly:






The fuel pressure regulator is a vacuum-operated diaphragm relief valve with fuel pump pressure on one side, and with regulator spring pressure and intake manifold vacuum on the other side. The fuel pressure regulator maintains a constant pressure differential across the injectors at all times. The pressure regulator compensates for engine load by increasing the fuel pressure when the engine vacuum drops.

Fuel Metering Modes of Operation
The powertrain control module (PCM) reads voltages from several sensors in order to determine how much fuel to give the engine. The fuel is delivered during one of several conditions called modes. The PCM controls all modes.

The Starting Mode--With the ignition switch in the ON position, before engaging the starter, the PCM energizes the fuel pump relay for 2 seconds allowing the fuel pump to build up pressure. The PCM first tests speed density, then switches to the mass air flow (MAF) sensor. The PCM also uses the engine coolant temperature (ECT), the throttle position (TP), and the manifold absolute pressure (MAP) sensors to determine the proper air/fuel ratio for starting. The PCM controls the amount of fuel delivered in the starting mode by changing the pulse width of the injectors. This is done by pulsing the injectors for very short times.

The Clear Flood Mode--If the engine floods, clear the engine by pushing the accelerator pedal down to the floor and then crank the engine. When the throttle position (TP) sensor is at wide open throttle (WOT), the PCM reduces the injector pulse width in order to increase the air to fuel ratio. The PCM holds this injector rate as long as the throttle stays wide open and the engine speed is below a predetermined RPM. If the throttle is not held wide open, the PCM returns to the starting mode.

The Run Mode--The run mode has 2 conditions. These conditions are called Open Loop and Closed Loop. When the engine is first started and the engine speed is above a predetermined RPM, the system begins Open Loop operation. The PCM ignores the signal from the heated oxygen sensor (HO2S) and calculates the air/fuel ratio based on inputs from the ECT, the MAF, the MAP, and the TP sensors. The system stays in Open Loop until meeting the following conditions:
- Both HO2Ss have varying voltage output, showing that they are hot enough to operate properly. This depends upon the engine temperature.
- The ECT sensor is above a specified temperature.
- A specific amount of time has elapsed after starting the engine.
- Specific values for the above conditions exist for each different engine. These values are stored in the electrically erasable programmable read-only memory (EEPROM). The system begins Closed Loop operation after reaching these values. In Closed Loop, the PCM calculates the air/fuel ratio (injector on-time) based upon the signal from various sensors, but mainly from the HO2S. This allows the air/fuel ratio to stay very close to 14.7:1.

Acceleration Mode--When the driver pushes on the accelerator pedal, the air flow into the cylinders increases rapidly, while fuel flow tends to lag behind. In order to prevent possible hesitation, the PCM increases the pulse width to the injectors in order to provide extra fuel during acceleration. The PCM determines the amount of fuel required based upon the throttle position, the coolant temperature, the manifold air pressure, the mass air flow, and the engine speed.

Deceleration Mode--When the driver releases the accelerator pedal, the air flow into the engine is reduced. The PCM reads the corresponding changes in the throttle position, the manifold air pressure, and the mass air flow. The PCM shuts OFF fuel completely if the deceleration is very rapid, or for long periods, such as during a long, closed-throttle coast-down. The fuel shuts OFF in order to protect the catalytic converters.

Battery Voltage Correction Mode--When the battery voltage is low, the PCM compensates for the weak spark delivered by the ignition system in the following ways:
- Increasing the amount of fuel delivered
- Increasing the idle RPM
- Increasing the ignition dwell time

Fuel Cutoff Mode--The PCM cuts OFF fuel from the fuel injectors when the following conditions are met in order to protect the powertrain from damage and improve driveability:
- The ignition is OFF. This prevents engine run-on.
- The ignition is ON but there is no ignition reference signal. This prevents flooding or backfiring.
- The engine speed is too high, above red line.
- The vehicle speed is too high, above the rated tire speed.
- During an extended, high speed, closed throttle coast down--This reduces the emissions and increases the engine braking.
- During extended deceleration, in order to protect the catalytic converters

Short Term Fuel Trim
The short term fuel trim values change rapidly in response to the HO2S signal voltages. These changes fine-tune the engine fueling. The ideal fuel trim values are around 0 percent. A positive fuel trim value indicates that the PCM is adding fuel in order to compensate for a lean condition. A negative fuel trim value indicates that the PCM is reducing the amount of fuel in order to compensate for a rich condition.

When the PCM determines that the short term fuel trim is out of the operating range, the following DTCs will set:
DTC P0171 Bank 1 Too Lean
DTC P0172 Bank 1 Too Rich
DTC P0174 Bank 2 Too Lean
DTC P0175 Bank 2 Too Rich

Long Term Fuel Trim
The long term fuel trim is a matrix of cells arranged by RPM and manifold absolute pressure (MAP). Each cell of the long term fuel trim is a register like the short term fuel trim. When the engine operating conditions change, the PCM will switch from cell to cell in order to determine which long term fuel trim factor to use in the base pulse width equation.

While in any given cell, the PCM also monitors the short term fuel trim. If the short term fuel trim is far enough from 0 percent, the PCM will change the long term fuel trim value. Once the long term fuel trim value is changed, this should force the short term fuel trim back toward 0 percent. If the mixture is still not correct, the short term fuel trim will continue to have a large deviation from the ideal 0 percent. When this occurs, the long term fuel trim value will continue to change until the short term fuel trim becomes balanced. Both the short term fuel trim and long term fuel trim have limits which vary by calibration. If the mixture is off enough so that the long term fuel trim reaches the limit of its control, and still cannot correct the condition, the short term fuel trim will also go to the limit of control in the same direction. If the mixture is still not corrected by both the short term fuel trim and the long term fuel trim at their extreme values, a fuel trim diagnostic trouble code (DTC) will likely result. When the PCM determines that the long term fuel trim is out of the operating range, the following DTCs will set:
DTC P0171 Bank 1 Too Lean
DTC P0172 Bank 1 Too Rich
DTC P0174 Bank 2 Too Lean
DTC P0175 Bank 2 Too Rich

During power enrichment conditions, the PCM sets the short term fuel trim to 0 percent and freezes it there until the power enrichment is no longer in effect. This is done so the Closed Loop factor and the long term fuel trim will not try to correct for the power enrichment condition.