Operation CHARM: Car repair manuals for everyone.
Manuals through 2025 now available!

Our trusted friends have launched a new website named LEMON, which has newer manuals. It also contains all the CHARM manuals.

LEMON is the spiritual successor to CHARM, I recommend you try it!

Link: lemon-manuals.la or lemon-manuals.org.ua

(Some people have issue connecting. LEMON is investigating. For now, use Firefox or change your DNS server)

Or, hide this message: temporarily or permanently

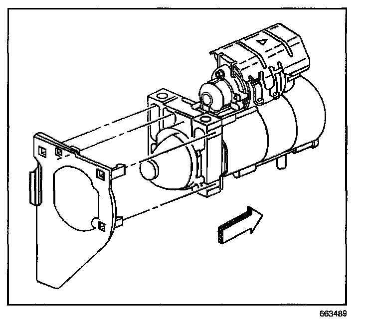
Starter Motor: Service and Repair

STARTER MOTOR REPLACEMENT

REMOVAL PROCEDURE

CAUTION: Refer to Battery Disconnect Caution in Service Precautions.




1. Disconnect the negative battery cable.
2. Raise and suitably support the vehicle. Refer to Lifting and Jacking the Vehicle.




3. Remove the right transmission cover bolt.




4. Remove the starter bolts.
5. Slide the starter forward until the starter clears the transmission.




6. Disconnect the oil level sensor electrical connector (6).
7. Remove the starter solenoid nut (3).
8. Remove the starter lead (2) from the solenoid stud.




9. Remove the starter lead nut.
10. Remove the positive cable from the starter stud.
11. Place the starter on a workbench.




12. Unsnap the transmission cover from the starter.




13. If necessary, remove the starter shield.

INSTALLATION PROCEDURE




1. If necessary, install the starter shield.




2. Snap the transmission cover to the starter.




3. Install the positive cable to the starter stud.

NOTE: Refer to Fastener Notice in Service Precautions.

4. Install the starter lead nut.

Tighten
Tighten the starter lead nut to 9 N.m (80 lb in).




5. Install the starter solenoid lead (2) to the solenoid stud.
6. Install the starter solenoid nut (3).

Tighten
Tighten the starter solenoid nut to 3.4 N.m (30 lb in).

7. Connect the oil level sensor electrical connector (6).




8. Snap the transmission cover onto the starter.
9. Slide the starter rearward.
10. Install the starter bolts.

Tighten
Tighten the starter bolts to 50 N.m (37 lb ft).




11. Install the right transmission cover bolt.

Tighten
Tighten the transmission cover bolt to 9 N.m (80 lb in).

12. Lower the vehicle.




13. Connect the negative battery cable.