Operation CHARM: Car repair manuals for everyone.
Manuals through 2025 now available!

Our trusted friends have launched a new website named LEMON, which has newer manuals. It also contains all the CHARM manuals.

LEMON is the spiritual successor to CHARM, I recommend you try it!

Link: lemon-manuals.la or lemon-manuals.org.ua

(Some people have issue connecting. LEMON is investigating. For now, use Firefox or change your DNS server)

Or, hide this message: temporarily or permanently

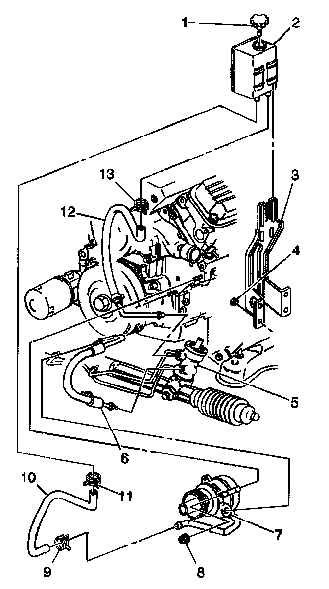
P/S Return Line Replacement

Removal Procedure





1. Place a drain pan under the power steering fluid reservoir (2).
2. Remove the following components from the power steering fluid reservoir (2):
- The clamp (13).
- The power steering return hose (12).
3. Remove the capstick (1) from the power steering fluid reservoir (2) and allow the power steering fluid to drain into the pan.
4. Raise the vehicle on a hoist. Refer to Vehicle Lifting.
5. Place a drain pan under the power steering gear (5)
6. Remove the power steering return hose (12) from the power steering gear (5).
7. Remove the power steering return hose (12) from the vehicle.

Installation Procedure





1. Install the power steering return hose (12) to the vehicle.

Notice: Refer to Fastener Notice in Service Precautions.

2. Install the power steering return hose (12) to the power steering gear (5).
- Tighten the fitting to 27 Nm (20 ft. lbs.).
3. Lower the vehicle.
4. Install the following components to the power steering fluid reservoir (12):
- The power steering return hose (12).
- The clamp (13).
5. Bleed the power steering system. Refer to Bleeding the Power Steering System.