Operation CHARM: Car repair manuals for everyone.
Manuals through 2025 now available!

Our trusted friends have launched a new website named LEMON, which has newer manuals. It also contains all the CHARM manuals.

LEMON is the spiritual successor to CHARM, I recommend you try it!

Link: lemon-manuals.la or lemon-manuals.org.ua

(Some people have issue connecting. LEMON is investigating. For now, use Firefox or change your DNS server)

Or, hide this message: temporarily or permanently

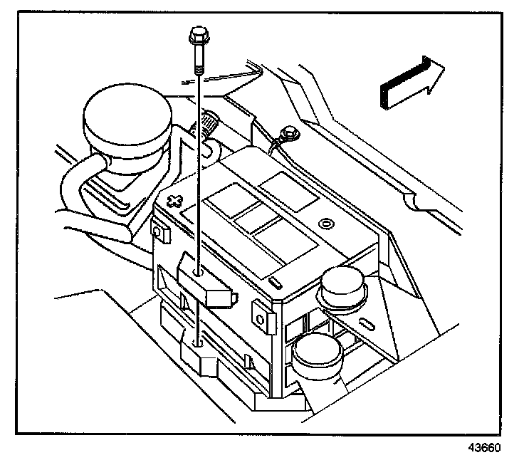
Battery Replacement

REMOVAL PROCEDURE

CAUTION: Refer to Battery Disconnect Caution in Service Precautions.




1. Disconnect the negative battery cable.




2. Disconnect the positive battery cable.




3. Loosen the battery hold down retainer bolt.
The battery hold down and bolt are held together by a push nut.
4. Remove the battery hold down retainer.




5. Remove the battery.

INSTALLATION PROCEDURE




1. Install the battery.




2. Install the battery hold down retainer.

NOTE: Refer to Fastener Notice in Service Precautions.

3. Tighten the battery hold down retainer bolt.

Tighten
Tighten the battery hold down retainer bolt to 18 N.m (13 lb ft).




4. Connect the positive battery cable.

Tighten
Tighten the positive battery cable bolt to 15 N.m (11 lb ft).




5. Connect the negative battery cable.