Operation CHARM: Car repair manuals for everyone.
Manuals through 2025 now available!

Our trusted friends have launched a new website named LEMON, which has newer manuals. It also contains all the CHARM manuals.

LEMON is the spiritual successor to CHARM, I recommend you try it!

Link: lemon-manuals.la or lemon-manuals.org.ua

(Some people have issue connecting. LEMON is investigating. For now, use Firefox or change your DNS server)

Or, hide this message: temporarily or permanently

Battery Tray Replacement

REMOVAL PROCEDURE




1. Remove the battery.
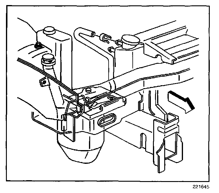
2. Reposition the coolant recovery reservoir hose clamp at the radiator.
3. Remove the reservoir hose from the radiator.




4. Remove the accelerator and cruise control servo cable adjuster bolts.
5. Reposition the servo cable adjuster.




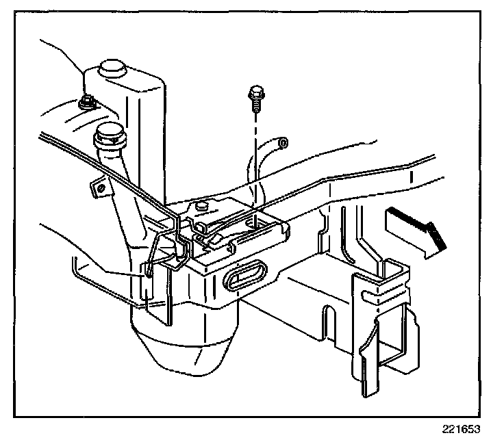
6. Remove the coolant recovery reservoir bolt.




7. Remove the wiring harness clip from the reservoir neck.
8. Remove the coolant recovery reservoir.




9. Remove the reservoir hose and grommet from the reservoir, if necessary.

INSTALLATION PROCEDURE




1. Install the reservoir hose and grommet to the reservoir.
2. Install the coolant recovery reservoir.




3. Install the wiring harness clip to the reservoir neck.

NOTE: Refer to Fastener Notice in Service Precautions.




4. Install the reservoir bolt.

Tighten
Tighten the coolant recovery reservoir bolt to 12 N.m (106 lb in).




5. Position the servo cable adjuster.
6. Install the servo cable adjuster bolts.

Tighten
Tighten the servo cable adjuster bolts to 7.5 N.m (66 lb in).




7. Install the reservoir hose to the radiator.
8. Position the reservoir hose clamp at the radiator.
9. Install the battery.
10. Add engine coolant to the FULL COLD mark on the reservoir.