Operation CHARM: Car repair manuals for everyone.
Manuals through 2025 now available!

Our trusted friends have launched a new website named LEMON, which has newer manuals. It also contains all the CHARM manuals.

LEMON is the spiritual successor to CHARM, I recommend you try it!

Link: lemon-manuals.la or lemon-manuals.org.ua

(Some people have issue connecting. LEMON is investigating. For now, use Firefox or change your DNS server)

Or, hide this message: temporarily or permanently

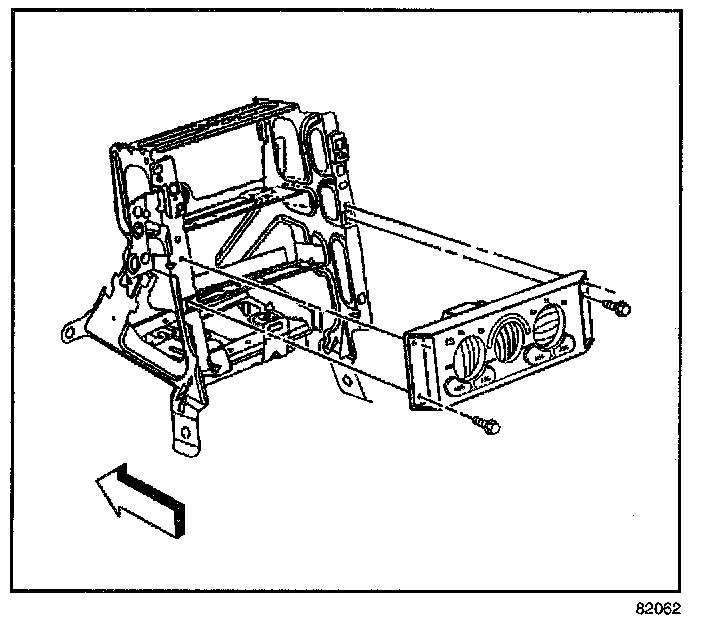
HVAC System - Manual

REMOVAL PROCEDURE




1. Remove the front floor kick-up panel.
2. Remove the cover from the IP electrical center.
3. Remove the HVAC CON (HVAC controls) Mini Fuse(R) #27 from the IP electrical center.
4. Remove the IP accessory trim plate.
5. Remove the screws retaining the HVAC control head.
6. Pull the HVAC control module out from the IP center support bracket to access the electrical and vacuum connectors.




7. Disconnect the electrical connectors (1) from the HVAC control module.
8. Disconnect the vacuum harness connectors (2) from the HVAC control module.
9. Remove the HVAC control module from the vehicle.

INSTALLATION PROCEDURE




1. Install the HVAC control module to the vehicle.
2. Connect the vacuum harness connectors (2) to the HVAC control module.
3. Connect the electrical connectors (1) to the HVAC control module.




4. Install the control head to the IP center support bracket.

NOTE: Refer to Fastener Notice in Service Precautions.

5. Install the HVAC control module retaining screws.

Tighten
Tighten the HVAC control module retaining screws to 1.9 N.m (17 lb in).

6. Install the IP accessory trim panel.
7. Install the HVAC CON (HVAC controls) MiniFuse(R) #27 to the IP electrical center.
8. Install the cover to the IP electrical center.
9. Install the front floor kick-up panel.