Operation CHARM: Car repair manuals for everyone.
Manuals through 2025 now available!

Our trusted friends have launched a new website named LEMON, which has newer manuals. It also contains all the CHARM manuals.

LEMON is the spiritual successor to CHARM, I recommend you try it!

Link: lemon-manuals.la or lemon-manuals.org.ua

(Some people have issue connecting. LEMON is investigating. For now, use Firefox or change your DNS server)

Or, hide this message: temporarily or permanently

Ground Strap: Service and Repair

GROUND STRAP REPLACEMENT

REMOVAL PROCEDURE




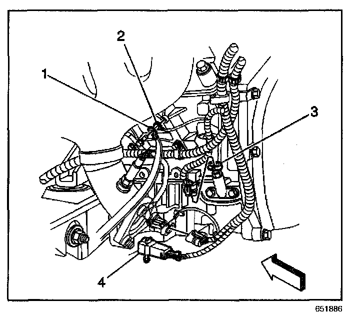
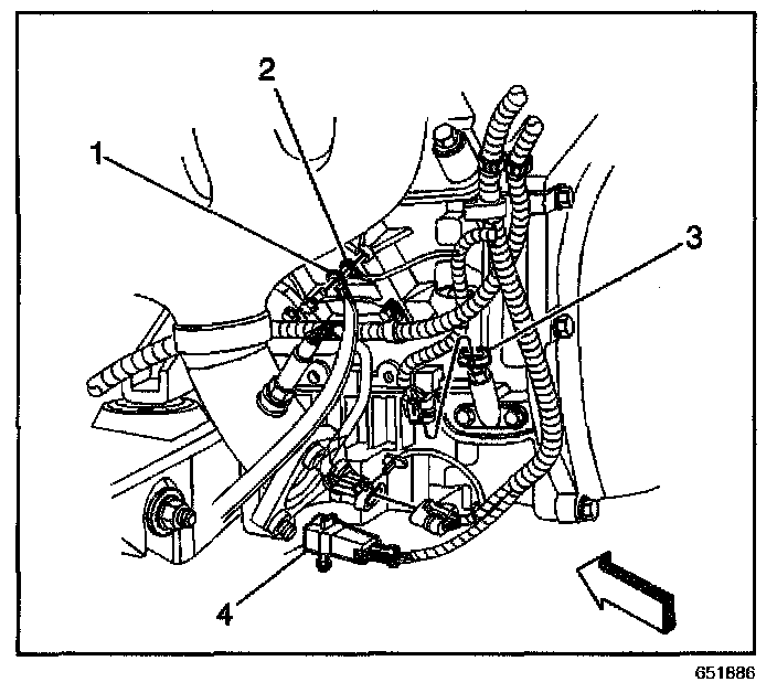
1. Remove the ground strap nut and terminal from the stud on the frame.
2. Raise and suitably support the vehicle. Refer to Lifting and Jacking the Vehicle.




3. Remove the ground strap bolt, strap (1) and engine harness ground.
4. Remove the ground strap.

INSTALLATION PROCEDURE




1. Position the ground strap terminal (1) and engine harness ground to the block.

NOTE: Refer to Fastener Notice in Service Precautions.

2. Install the ground strap bolt.

Tighten
Tighten the ground strap bolt to 32 N.m (24 lb ft).




3. Lower the vehicle.
4. Install the ground strap terminal and nut to the stud.

Tighten
Tighten the ground strap nut to 8 N.m (71 lb in).