Operation CHARM: Car repair manuals for everyone.
Manuals through 2025 now available!

Our trusted friends have launched a new website named LEMON, which has newer manuals. It also contains all the CHARM manuals.

LEMON is the spiritual successor to CHARM, I recommend you try it!

Link: lemon-manuals.la or lemon-manuals.org.ua

(Some people have issue connecting. LEMON is investigating. For now, use Firefox or change your DNS server)

Or, hide this message: temporarily or permanently

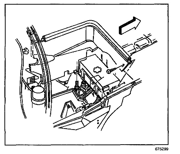
Battery Heat Shield Replacement

REMOVAL PROCEDURE




1. Remove the push-in retainer attaching the air inlet screen and battery heat shield to the plenum panel.




2. Remove the push-in retainer attaching the battery heat shield to the Wheelhouse panel.
3. Lift the battery heat shield from the ground stud and remove the shield.

INSTALLATION PROCEDURE




1. Position the heat shield with the rearward edge between the retention fingers.
2. Position the shield onto the ground stud.
3. Install the push-in retainer attaching the heat shield to the wheelhouse panel.




4. Install the push-in retainer attaching the air inlet screen and the battery heat shield to the plenum panel.