Operation CHARM: Car repair manuals for everyone.
Manuals through 2025 now available!

Our trusted friends have launched a new website named LEMON, which has newer manuals. It also contains all the CHARM manuals.

LEMON is the spiritual successor to CHARM, I recommend you try it!

Link: lemon-manuals.la or lemon-manuals.org.ua

(Some people have issue connecting. LEMON is investigating. For now, use Firefox or change your DNS server)

Or, hide this message: temporarily or permanently

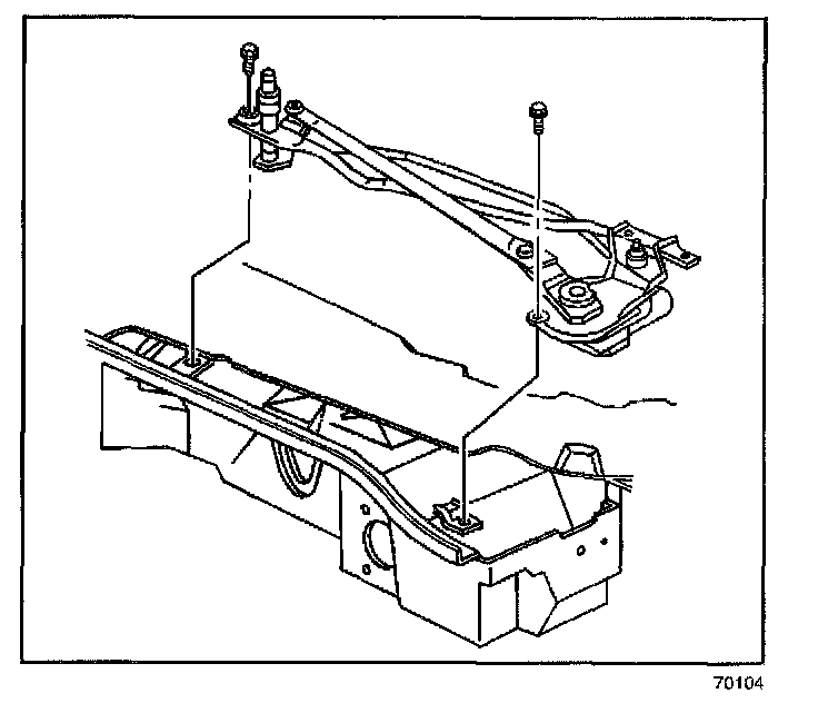
Wiper Transmission Replacement

TOOLS REQUIRED
^ J 39232 Wiper Linkage Separator
^ J 39529 Wiper Linkage Installer

REMOVAL PROCEDURE




1. Disconnect the wiper motor fuse. The fuse is located in the instrument panel electrical center.
2. Remove the wiper arm assemblies
3. Remove the air inlet screen.
4. Remove the wiper motor module assembly.




5. Remove the RH wiper transmission mounting bolts.
6. Remove the RH wiper transmission from the wiper transmission linkage using J 39232.
7. Disconnect the wiper transmission linkage from the wiper motor module assembly.
8. Remove the LH wiper transmission mounting bolts.
9. Remove the LH wiper transmission from the wiper transmission linkage.

INSTALLATION PROCEDURE




1. Install the LH wiper transmission into the wiper transmission linkage using tool J 39529.

NOTE: Refer to Fastener Notice in Service Precautions.

2. Install the LH wiper transmission mounting bolts.

Tighten
Tighten the wiper transmission mounting bolts to 10 N.m (89 lb in).

3. Connect the wiper transmission linkage onto the wiper motor.
4. Install the RH wiper transmission into the wiper transmission linkage.

Tighten
Tighten the wiper transmission mounting bolts to 10 N.m (89 lb in).




5. Install the wiper motor module assembly.
6. Install the air inlet screen.
7. Install the wiper arm assemblies.
8. Install the wiper motor fuse.