Operation CHARM: Car repair manuals for everyone.
Manuals through 2025 now available!

Our trusted friends have launched a new website named LEMON, which has newer manuals. It also contains all the CHARM manuals.

LEMON is the spiritual successor to CHARM, I recommend you try it!

Link: lemon-manuals.la or lemon-manuals.org.ua

(Some people have issue connecting. LEMON is investigating. For now, use Firefox or change your DNS server)

Or, hide this message: temporarily or permanently

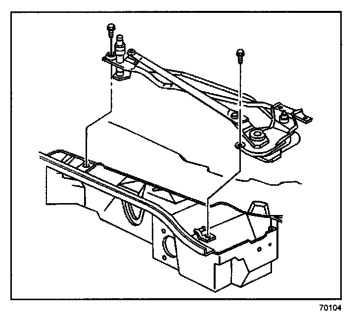
Wiper Motor Module Replacement

REMOVAL PROCEDURE




1. Remove the wiper motor fuse. The wiper motor fuse is located in the instrument panel electrical center.
2. Move the wiper arms until the wiper arms are in the mid-wipe position.
3. Remove the wiper arm and blade assemblies.
4. Remove the air inlet screen.




5. Remove the wiper motor module mounting bolts.
6. Disconnect the wiper motor electrical connector.




7. Remove the wiper motor module from the vehicle.

INSTALLATION PROCEDURE




1. If the wiper motor module is a replacement (new) module, move the wiper linkage until the wiper linkage is in the mid-wipe position.
2. Place the wiper motor module into the vehicle.
3. Connect the wiper motor module electrical connector.

NOTE: Refer to Fastener Notice in Service Precautions.




4. Install the wiper motor module mounting bolts.

Tighten
Tighten the wiper motor module mounting bolts to 10 N.m (89 ft in).




5. Install the air inlet screen onto the vehicle.
6. Install the wiper motor fuse.
7. Turn the ignition switch to the RUN position, place the wiper switch in the lowest NT (delay) position. When the motor reaches the inner-wipe position, turn the ignition switch OFF.
8. Install the wiper arm and blade assemblies on to the vehicle.