Operation CHARM: Car repair manuals for everyone.
Manuals through 2025 now available!

Our trusted friends have launched a new website named LEMON, which has newer manuals. It also contains all the CHARM manuals.

LEMON is the spiritual successor to CHARM, I recommend you try it!

Link: lemon-manuals.la or lemon-manuals.org.ua

(Some people have issue connecting. LEMON is investigating. For now, use Firefox or change your DNS server)

Or, hide this message: temporarily or permanently

Powertrain Control Module (PCM) Replacement

Service of the Powertrain Control Module (PCM) should normally consist of either replacement of the PCM or electrically erasable programmable read only memory (EEPROM) programming. If the diagnostic procedures call for the PCM to be replaced, the PCM should be inspected first to see if the correct part is being used. If the correct part is being used, remove the faulty PCM and install the new service PCM.

IMPORTANT:
^ To prevent internal PCM damage, the ignition must be OFF when disconnecting or reconnecting power to the PCM. For example, when working with a battery cable, PCM pigtail, PCM fuse, or jumper cables.
^ Remove any debris from the PCM connector surfaces before servicing the PCM. Inspect the PCM module connector gaskets when diagnosing or replacing the PCM. Ensure that the gaskets are installed correctly. The gaskets prevent contaminant intrusion into the PCM.
^ The replacement PCM must be programmed.

REMOVAL PROCEDURE




1. Remove the air cleaner assembly.

NOTE:
^ Refer to PCM and ESD Notice in Service Precautions.
^ Refer to Ignition and PCM Notice in Service Precautions.

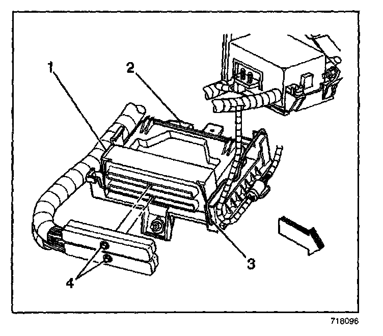
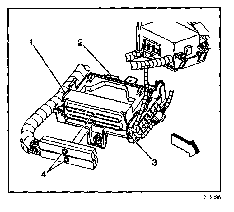
2. Disconnect the PCM harness connectors (4).
3. Release the spring latch (3) from the PCM (1).




4. Lift the PCM from the PCM mounting tray (2).
5. Remove the PCM (1) from the engine compartment.

INSTALLATION PROCEDURE




1. Install the PCM (1) to the PCM mounting tray (2).
2. Secure the spring latch (3) to the PCM (1).

NOTE: Refer to Fastener Notice in Service Precautions.




3. Connect the PCM connectors (4) to the PCM (1).

Tighten
Tighten the PCM connector end fasteners to 8 N.m (71 lb in).

4. Install the air cleaner assembly.
5. If a new PCM is being installed, program the PCM. Programming and Relearning