Operation CHARM: Car repair manuals for everyone.
Manuals through 2025 now available!

Our trusted friends have launched a new website named LEMON, which has newer manuals. It also contains all the CHARM manuals.

LEMON is the spiritual successor to CHARM, I recommend you try it!

Link: lemon-manuals.la or lemon-manuals.org.ua

(Some people have issue connecting. LEMON is investigating. For now, use Firefox or change your DNS server)

Or, hide this message: temporarily or permanently

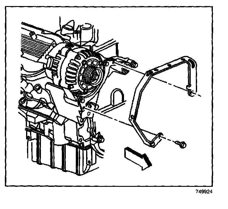
Generator Replacement

REMOVAL PROCEDURE

CAUTION: Refer to Battery Disconnect Caution in Service Precautions.




1. Disconnect the negative battery cable (1).
2. Remove the drive belt.
3. Remove the fan shroud (upper).




4. Remove the indicator tube bracket bolts and reposition the bracket.




5. Remove the heater inlet pipe bolt from the bracket.
6. Remove the indicator tube bracket.




7. Remove the generator bolts (1).
8. Reposition the generator.




9. Reposition the positive cable boot at the generator.
10. Remove the positive cable nut.
11. Remove the positive cable from the generator.




12. Disconnect the generator electrical connector.

INSTALLATION PROCEDURE




1. Connect the generator electrical connector.




2. Install the positive cable to the generator.

NOTE: Refer to Fastener Notice in Service Precautions.

3. Install the positive cable nut.
4. Position the positive cable boot at the generator.




5. Install the generator.
6. Install the generator bolts (1).

Tighten
Tighten the generator bolts to 50 N.m (37 lb ft).




7. Install the indicator tube bracket.
8. Install the heater inlet pipe bolt to the bracket.

Tighten
Tighten the heater inlet pipe bolt to 5 N.m (44 lb in).




9. Position the bracket and install the indicator tube bracket bolts.

Tighten
Tighten the indicator tube bracket bolts to 25 N.m (18 lb ft).




10. Install the tan shroud (upper).
11. Install the drive belt.
12. Connect the negative battery cable (1).