Operation CHARM: Car repair manuals for everyone.
Manuals through 2025 now available!

Our trusted friends have launched a new website named LEMON, which has newer manuals. It also contains all the CHARM manuals.

LEMON is the spiritual successor to CHARM, I recommend you try it!

Link: lemon-manuals.la or lemon-manuals.org.ua

(Some people have issue connecting. LEMON is investigating. For now, use Firefox or change your DNS server)

Or, hide this message: temporarily or permanently

Timing Chain: Service and Repair

^ Tools Required
- J 5825-A Crankshaft Gear Remover
- J 5590 Pinion Bearing Race Installer - Rear

Removal Procedure





1. Remove the engine front cover. .
2. Remove the crankshaft position sensor reluctor ring.





Notice: In order to rotate the engine install a bolt with the same threads as the crankshaft, but do not use the crankshaft balancer bolt or a bolt longer than 1 inch, in the crankshaft. Failing to do so will cause damage to the bolt threads and the crankshaft threaded hole when removing the bolt.

3. Install a 7/16-20 x 1 inch bolt into the end of the crankshaft.

Notice: Align the timing marks before removing the timing chain. If it is necessary to turn either the camshaft or the crankshaft with the timing chain removed, loosen or remove the valve rocker arms. Turning either the crankshaft or camshaft with the timing chain removed may cause the pistons to contact the valves, resulting in damage.

4. Rotate the crankshaft until:
4.1. The timing marks on both sprockets line up.
4.2. The number four cylinder is at Top Dead Center (TDC) of the compression stroke.





5. Remove the camshaft sprocket bolts.





6. Remove the camshaft sprocket and the camshaft timing chain.





Caution: Refer to Safety Glasses Caution in Service Precautions.

7. Remove the crankshaft sprocket using the J 5825-A.





8. Remove the crankshaft balancer key.
9. Clean and inspect the timing chain and sprockets.

Installation Procedure





1. Install the crankshaft balancer key into the crankshaft keyway.
The crankshaft balancer key should be parallel to the crankshaft or with a slight incline.





2. Align the keyway of the crankshaft sprocket with the crankshaft balancer key.

Caution: Refer to Safety Glasses Caution in Service Precautions.

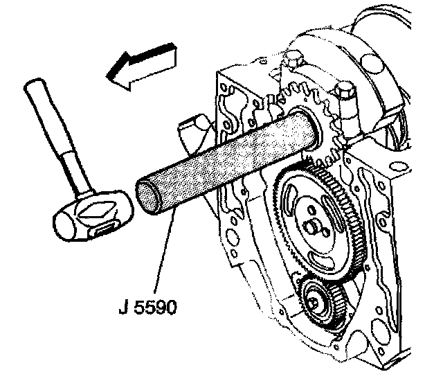
3. Use the J 5590 in order to install the crankshaft sprocket.





4. Rotate the crankshaft until the crankshaft sprocket alignment mark is at the 12 o'clock position.

Important: Install the camshaft sprocket with the alignment mark at the 6 o'clock position.

5. Install the camshaft sprocket and the camshaft timing chain.





6. Look to ensure that the crankshaft sprocket is aligned at the 12 o'clock position and camshaft sprocket is aligned at the 6 o'clock position.





Notice: Refer to Fastener Notice in Service Precautions.

Important: Do not use a hammer to install the camshaft sprocket onto the camshaft. To do so may dislodge the expansion cup plug (camshaft rear bearing hole).

7. Install camshaft sprocket bolts.
^ Tighten the camshaft sprocket bolts to 25 Nm (18 ft. lbs.).





8. Install the crankshaft position sensor reluctor ring.
8.1. Align the keyway on the crankshaft position sensor reluctor ring with the crankshaft balancer key in the crankshaft.
8.2. Use the in order to push the crankshaft position sensor reluctor ring onto the crankshaft until completely seated against the crankshaft sprocket.
8.3. Remove the bolt from the end of the crankshaft.
8.4. Install the engine front cover.