Operation CHARM: Car repair manuals for everyone.
Manuals through 2025 now available!

Our trusted friends have launched a new website named LEMON, which has newer manuals. It also contains all the CHARM manuals.

LEMON is the spiritual successor to CHARM, I recommend you try it!

Link: lemon-manuals.la or lemon-manuals.org.ua

(Some people have issue connecting. LEMON is investigating. For now, use Firefox or change your DNS server)

Or, hide this message: temporarily or permanently

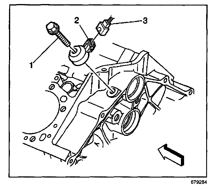
Knock Sensor: Service and Repair

REMOVAL PROCEDURE
The knock sensor (KS) is located at the top rear of the engine.

CAUTION: Refer to Battery Disconnect Caution in Service Precautions.




1. Disconnect the negative battery cable.
2. Remove the engine cover.
3. Disconnect the KS harness connector (3).
4. Remove the KS bolt (1).
5. Remove the KS (2).

INSTALLATION PROCEDURE

NOTE: Refer to Component Fastener Tightening Notice in Service Precautions.




1. Install the knock sensor (2) and bolt (1).

Tighten
Tighten the knock sensor bolt to 25 N.m (18 lb ft).

2. Connect the KS harness connector (3).
3. Install the engine cover.