Operation CHARM: Car repair manuals for everyone.
Manuals through 2025 now available!

Our trusted friends have launched a new website named LEMON, which has newer manuals. It also contains all the CHARM manuals.

LEMON is the spiritual successor to CHARM, I recommend you try it!

Link: lemon-manuals.la or lemon-manuals.org.ua

(Some people have issue connecting. LEMON is investigating. For now, use Firefox or change your DNS server)

Or, hide this message: temporarily or permanently

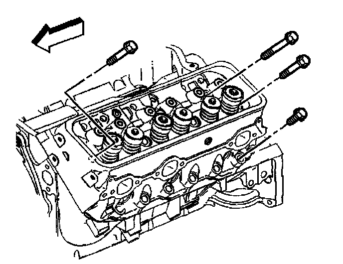
Cylinder Head Specifications





Install the cylinder head onto the engine block.
Guide the cylinder head carefully into place over the dowel pins and the cylinder head gasket.





Apply sealant GM P/N 12346004 or equivalent to the threads of the cylinder head bolts.

Notice: Refer to Fastener Notice in Service Precautions.

Install the cylinder head bolts finger tight.





Tighten the cylinder head bolts in sequence on the first pass.
^ Tighten the bolts in sequence on the first pass to 30 Nm (22 ft. lbs.).

Use the in order to tighten the cylinder head bolts in sequence on the final pass.
^ Tighten the long bolts (1, 4, 5, 8, and 9) on the final pass in sequence to 75°.
^ Tighten the medium bolts (12 and 13) on the final pass in sequence to 65°.
^ Tighten the short bolts (2, 3, 6, 7, 10, and 11) on the final pass in sequence to 55°.