Operation CHARM: Car repair manuals for everyone.
Manuals through 2025 now available!

Our trusted friends have launched a new website named LEMON, which has newer manuals. It also contains all the CHARM manuals.

LEMON is the spiritual successor to CHARM, I recommend you try it!

Link: lemon-manuals.la or lemon-manuals.org.ua

(Some people have issue connecting. LEMON is investigating. For now, use Firefox or change your DNS server)

Or, hide this message: temporarily or permanently

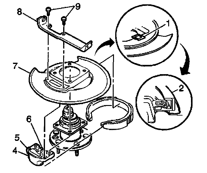
Disc Brake Backing Plate Replacement

Disc Brake Backing Plate Replacement - Rear

Removal Procedure
1. Raise and support the vehicle. Refer to Vehicle Lifting.
2. Remove the rear wheels and tires.





3. Relieve the park brake system tension at the equalizer assembly.
4. Remove the rear caliper bracket.
5. Remove the rear rotor.





6. Disconnect and remove the rear park brake cable from the bracket at the rear wheel.
7. Disconnect the park brake cable return spring from the park brake actuator and bracket at the rear wheel.
8. Remove the rear hub. The rear hub, backing plate, park brake cable bracket, and park brake actuator will be removed as an assembly.





9. Remove the two retainers (9) and the park brake cable bracket (8) from the park brake actuator (4). Position aside the rear hub.
10. Remove the park brake shoe and actuator (4) from the backing plate (7).

Installation Procedure





1. Install the park brake shoe and actuator (4) onto the backing plate (7).
2. Position the park brake shoe, actuator (4), and backing plate (7) over the rear hub.
3. Install the park brake cable bracket (8) and the two retainers (9).
4. Install the rear hub.
The rear hub, backing plate, park brake cable bracket, and park brake actuator will be installed as an assembly.





5. Install and connect the rear park brake cable to the bracket at the rear wheel.
6. Connect the park brake cable return spring to the park brake actuator and bracket at the rear wheel.
7. Install the rear rotor.
8. Install the rear caliper bracket.
9. Install the rear wheels and tires.
10. Adjust the park brake at the equalizer.
11. Lower the vehicle.