Operation CHARM: Car repair manuals for everyone.
Manuals through 2025 now available!

Our trusted friends have launched a new website named LEMON, which has newer manuals. It also contains all the CHARM manuals.

LEMON is the spiritual successor to CHARM, I recommend you try it!

Link: lemon-manuals.la or lemon-manuals.org.ua

(Some people have issue connecting. LEMON is investigating. For now, use Firefox or change your DNS server)

Or, hide this message: temporarily or permanently

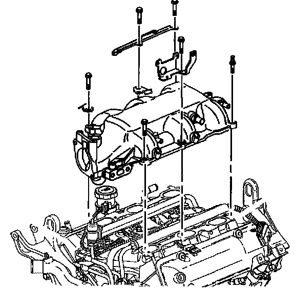
Upper Intake Manifold Replacement

Intake Manifold Replacement - Upper

Removal Procedure

Important: This engine uses a sequential multiport fuel injection system. Connect the injector wiring harness connectors to their appropriate fuel injector or exhaust emissions and engine performance may be seriously affected.





1. Disconnect the battery ground (negative) cable.
2. Disconnect the wiring harness connection from the intake air temperature (IAT) sensor in the throttle body air inlet duct. Refer Intake Air Temperature (IAT) Sensor Replacement in Engine Controls - 3.4L.
3. Disconnect the throttle body air inlet duct.
4. Drain the engine coolant from the cooling system.
5. Remove the accelerator control and cruise control cables with bracket from the throttle body.
6. Remove the throttle body.
7. Disconnect the wiring harness attachment clips.
- Camshaft position (CMP) sensor wiring harness
- Left spark plug wire harness
8. Disconnect the thermostat bypass pipe coolant hoses from the throttle body.
9. Remove the rear generator brace.
10. Remove the following components:
10.1. vacuum lines at the upper intake manifold
10.2. MAP sensor
10.3. EGR valve
10.4. spark plug wires
10.5. ignition control module
10.6. upper intake manifold
10.7. upper intake manifold gaskets
11. Clean the seal surfaces on the manifold with degreaser.

Installation Procedure





1. Install the throttle body.





2. Install the upper intake manifold gaskets.
3. Apply threadlock GM P/N 12345382 or equivalent to the threads of the intake manifold bolts.
4. Install the upper intake manifold.

Notice: Refer to Fastener Notice in Service Precautions.

5. Install the upper intake manifold bolts and studs.
- Tighten the upper intake manifold bolts and studs to 25 Nm (18 lb ft).
6. Install the following components:
6.1. upper intake manifold gaskets
6.2. upper intake manifold
6.3. ignition control module
6.4. spark plug wires
6.5. EGR valve
6.6. MAP sensor
6.7. vacuum lines at the upper intake manifold
7. Install the rear generator brace.
8. Connect the thermostat bypass pipe coolant hoses to the throttle body.
9. Connect the wiring harness connectors to the throttle body.
- Throttle position (TP) sensor
- Idle air control (IAC) valve
10. Install the accelerator control and cruise control cables with bracket to the throttle body.
11. Fill the cooling system with engine coolant.
12. Install the throttle body air inlet duct.
13. Connect the wiring harness connection to the intake air temperature (IAT) sensor in the throttle body air inlet duct.
14. Connect the vacuum hose connection to the throttle body air inlet duct.
15. Connect the battery ground (negative) cable.