Operation CHARM: Car repair manuals for everyone.
Manuals through 2025 now available!

Our trusted friends have launched a new website named LEMON, which has newer manuals. It also contains all the CHARM manuals.

LEMON is the spiritual successor to CHARM, I recommend you try it!

Link: lemon-manuals.la or lemon-manuals.org.ua

(Some people have issue connecting. LEMON is investigating. For now, use Firefox or change your DNS server)

Or, hide this message: temporarily or permanently

Timing Cover: Service and Repair

Engine Front Cover Replacement

Removal Procedure





1. Disconnect the battery ground (negative) cable.
2. Drain the engine coolant from the cooling system.
3. Drain the engine oil.
4. Remove the oil pan.
5. Remove the coolant recovery reservoir.
6. Remove the crankshaft balancer.
7. Remove the drive belt tensioner.
8. Remove the power steering pump with the lines. Reposition the power steering pump.
9. Disconnect the thermostat bypass pipe from the engine front cover.
10. Disconnect the radiator outlet hose from the timing cover.
11. Remove the coolant pump from the engine front cover.
12. Remove the lower crankshaft position sensor wiring harness bracket from the engine front cover





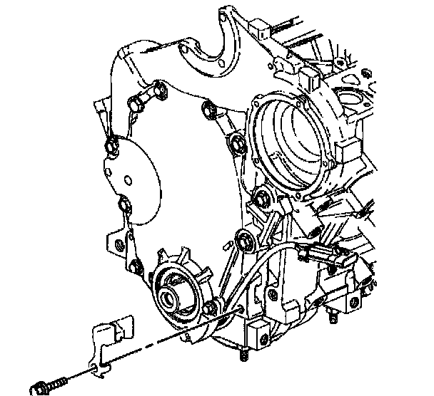
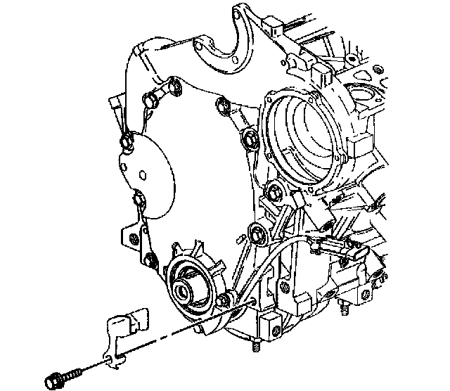
13. Remove the engine front cover bolts (1, 2 and 3).
14. Remove the engine front cover.





15. Remove the engine front cover gasket.
16. Inspect the engine front cover for damage to the engine front cover, crankshaft front oil seal or the gasket sealing surface.
17. If replacing the engine front cover, remove the drive belt shield.





18. Remove the crankshaft position sensor from the engine front cover.

Installation Procedure





1. If removed, install the crankshaft position sensor to the engine front cover.

Notice: Refer to Fastener Notice in Service Precautions.

2. If removed, install the drive belt shield. Install the drive belt shield bolt.
- Tighten the drive belt shield bolt to 10 Nm (89 inch lbs.).





3. Install the engine front cover gasket.





4. Install the engine front cover.

Notice: Refer to Fastener Notice in Service Precautions.

5. Install the engine front cover bolts (3).
- Tighten the bolts (3) to 55 Nm (41 ft. lbs.).
6. Install the engine front cover bolt (1).
- Tighten the bolt (1) to 47 Nm (35 ft. lbs.).
7. Install the engine front cover bolts (2).
- Tighten the bolts (2) to 21 Nm (15 ft. lbs.).





8. Install the lower crankshaft position sensor wiring harness bracket to the engine front cover
9. Install the coolant pump to the engine front cover.
10. Connect the radiator outlet hose to the timing cover.
11. Connect the thermostat bypass pipe to the engine front cover.
12. Install the power steering pump with the lines.
13. Install the drive belt tensioner.
14. Install the crankshaft balancer.
15. Install the oil pan.
16. Fill the engine with new engine oil.
17. Fill the cooling system with engine coolant.
18. Connect the battery ground (negative) cable.
19. Perform a CKP system variation learn procedure.