Operation CHARM: Car repair manuals for everyone.
Manuals through 2025 now available!

Our trusted friends have launched a new website named LEMON, which has newer manuals. It also contains all the CHARM manuals.

LEMON is the spiritual successor to CHARM, I recommend you try it!

Link: lemon-manuals.la or lemon-manuals.org.ua

(Some people have issue connecting. LEMON is investigating. For now, use Firefox or change your DNS server)

Or, hide this message: temporarily or permanently

Housing Assembly HVAC: Service and Repair

HVAC MODULE ASSEMBLY REPLACEMENT

TOOLS REQUIRED
J 39400-A Halogen Leak Detector

REMOVAL PROCEDURE




1. Recover the refrigerant. Refer to Refrigerant Recovery and Recharging.
2. Remove the left fender diagonal brace.
3. Remove the cross vehicle brace.
4. Drain the cooling system. Refer to Draining and Filling Cooling System in Cooling System.
5. Disconnect the A/C lines at the evaporator block fitting.
6. Disconnect the heater hoses at the heater core.
7. Remove the cross vehicle beam.
8. Disconnect the vacuum hoses from the HVAC control module.
9. Disconnect the electrical connectors from the HVAC control module.
10. Disconnect the IP wiring harness from the HVAC control module retainers and position the IP wiring harness to the floor.
11. Remove the evaporator drain elbow.




12. Remove the HVAC control module to dash nuts.
13. Perform the following steps to remove the HVAC control module.
13.1. Pull the HVAC control module rearward to disengage the mounting studs from the dash panel.
13.2. Position aside the dash insulator pad from the HVAC control module recirculation opening.
13.3. Roll the HVAC control module downward and rearward to disconnect the heater core outlet cover from the rear floor air outlet duct.
13.4. Remove the HVAC control module.




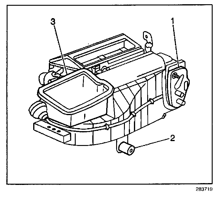
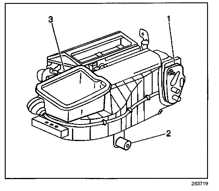
14. Remove and discard all of the outer HVAC control module seals (1, 2, 3).

INSTALLATION PROCEDURE




1. Install new outer HVAC control module seals (1, 2, 3).

IMPORTANT: When installing the HVAC control module, ensure dash insulator pad cut-outs and HVAC seals, studs, and drain align and seal properly to dash panel.

2. Perform the following steps to install the HVAC control module into the vehicle.
2.1. Align the HVAC control module heater core outlet cover to the rear floor air outlet duct.
2.2. Roll the HVAC control module forward and upward and align the dash insulator pad to the HVAC control module recirculation opening.
2.3. Align the HVAC control module mounting studs and drain to seat against the dash panel.

NOTE: Refer to Fastener Notice in Service Precautions.




3. Install the HVAC control module to dash nuts.

Tighten
Tighten the HVAC control module nuts to 10 N.m (89 lb in).




4. Install the evaporator drain elbow.
5. Position the IP wiring harness to the HVAC control module and secure in the harness retainers.
6. Connect the electrical connectors to the HVAC control module.
7. Connect the vacuum hoses to the HVAC control module.
8. Install the cross vehicle beam.
9. Connect the heater hoses at the heater core.
10. Install the A/C lines at the evaporator block fitting.
11. Fill the cooling system. Refer to Draining and Filling Cooling System in Cooling System.
12. Install the cross vehicle brace.
13. Install the left fender diagonal brace.
14. Evacuate and recharge the A/C system. Refer to Refrigerant Recovery and Recharging.
15. Leak test the fillings of the component using J 39400-A.