Operation CHARM: Car repair manuals for everyone.
Manuals through 2025 now available!

Our trusted friends have launched a new website named LEMON, which has newer manuals. It also contains all the CHARM manuals.

LEMON is the spiritual successor to CHARM, I recommend you try it!

Link: lemon-manuals.la or lemon-manuals.org.ua

(Some people have issue connecting. LEMON is investigating. For now, use Firefox or change your DNS server)

Or, hide this message: temporarily or permanently

Timing Cover: Service and Repair

Engine Front Cover Replacement

- Tools Required
- J 36660-A Torque Angle Meter
- J 37096 Flywheel Holder Removal Procedure

Caution: Refer to Battery Disconnect Caution in Service Precautions.





1. Disconnect the negative battery cable.
2. Raise and support the vehicle. Refer to Vehicle Lifting.
3. Drain the engine oil.
4. Drain the cooling system.
5. Lower the vehicle.
6. Loosen the water pump pulley bolts.
7. Remove the drive belt tensioner.
8. Remove the water pump pulley.
9. Remove the crankshaft balancer.

Important: Be careful not to damage the crankshaft.

10. Pry out the crankshaft front oil seal with a suitable tool such as a large screwdriver. Use care to avoid damaging the crankshaft front oil seal bore or the crankshaft front oil seal contact surfaces.
11. Disconnect the electrical connectors from the following:
- The camshaft position (CMP) sensor.
- The crankshaft position (CKP) sensor.
- The oil pressure sensor.
12. Remove the crankshaft position sensor shield.
13. Lower the vehicle.
14. Remove the radiator outlet hose from the water pump.
15. Install the engine support fixture.
16. Remove the engine mount bracket for oil pan access.

Important: The oil pan can be dropped slightly for engine front cover clearance if all pan bolts are loosened and the oil level sensor is removed.

17. Disconnect the oil level sensor electrical connector.
18. Remove the oil level sensor.
19. Remove the oil pan-to-engine front cover bolts.
20. Loosen the remaining oil pan bolts to gain access for the engine front cover removal. DO NOT remove the remaining oil pan bolts.





21. Remove the oil filter.





22. Remove the crankshaft position sensor.





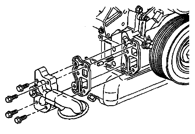
23. Remove the engine front cover bolts.
24. Remove the engine front cover with the oil filter adapter as one assembly.





25. Remove the engine front cover gasket.





26. If replacing the engine front cover, remove the oil filter adapter and pressure relief valve from the engine front cover.





27. If replacing the engine front cover, remove the water pump from the engine front cover.





28. If replacing the engine front cover, remove the oil pump cover and gear set from the engine front cover.
29. Inspect the oil pump cover and gear set.





30. If replacing the engine front cover, remove the camshaft position sensor from the engine front cover.
31. Inspect the timing chain for overall in and out movement. Maximum movement is 25.4 mm (1 inch).
32. Inspect the sprockets for wear.
33. Inspect the oil pan gasket. Replace the oil pan gasket if necessary.
34. Clean the engine front cover mating surfaces.

Installation Procedure

Notice: Refer to Fastener Notice in Service Precautions.





1. If replacing the engine front cover, install the camshaft position sensor to the engine front cover.
- Tighten the camshaft position sensor bolts to 10 Nm (89 inch lbs.).





2. If replacing the engine front cover, install the oil pump cover and gear set to the engine front cover.





3. If replacing the engine front cover, install the water pump to the engine front cover.
4. Install the long water pump bolts to the water pump.
- Tighten the long water pump bolts to 20 Nm(15 ft. lbs.).
5. Install the short water pump bolts to the water pump.
- Tighten the short water pump bolts to 15 Nm (11 ft. lbs.).





6. If replacing the engine front cover, install the oil filter adapter and pressure relief valve to the engine front cover.
7. Install the oil filter adapter bolts.
- Tighten the oil filter adapter bolts to 15 Nm (11 ft. lbs.). Use the J 36660-A in order to rotate the bolts an additional 50 degrees.





8. Install the new engine front cover gasket. Ensure that the sealing surfaces are not damaged.
9. Apply sealer GM P/N 12346004 or equivalent to the bolt threads.





10. Align the cogs on the crankshaft sprocket with the cogs on the oil pump gear set in the engine front cover.
11. Install the engine front cover to the engine.





12. Install the engine front cover bolts (1-7).
- Tighten the engine front cover bolts to 20 Nm (15 ft. lbs.). Use the J 36660-A in order to rotate the bolts an additional 40 degrees.





13. Install the crankshaft position sensor.
14. Install the crankshaft position sensor studs.
- Tighten the crankshaft position sensor studs to 30 Nm (22 ft. lbs.).
15. Install the new crankshaft front oil seal.
16. Install the oil pan-to-engine front cover bolts.
- Tighten the oil pan bolts to 14 Nm (125 inch lbs.).





17. Install the oil level sensor.
- Tighten the oil level sensor to 20 Nm (15 ft. lbs.).
18. Connect the oil level sensor electrical connector.
19. Install the engine mount bracket.
20. Install the water pump pulley and bolts.
- Tighten the water pump pulley bolts to 13 Nm (116 inch lbs.).





21. Install the oil filter and the oil pan drain plug.





22. Install the crankshaft position sensor shield.
23. Connect the electrical connectors to the following:
- The oil pressure sensor
- The crankshaft position (CKP) sensor.
- The camshaft position (CMP) sensor.
24. Install the crankshaft balancer.
25. Lower the vehicle.
26. Install the radiator outlet hose.
27. Remove the engine support fixture.
28. Install the drive belt tensioner.
29. Fill the cooling system.
30. Fill the crankcase with engine oil.
31. Connect the negative battery cable.
32. Inspect for leaks.
33. Perform the CKP system variation learn procedure.