Operation CHARM: Car repair manuals for everyone.
Manuals through 2025 now available!

Our trusted friends have launched a new website named LEMON, which has newer manuals. It also contains all the CHARM manuals.

LEMON is the spiritual successor to CHARM, I recommend you try it!

Link: lemon-manuals.la or lemon-manuals.org.ua

(Some people have issue connecting. LEMON is investigating. For now, use Firefox or change your DNS server)

Or, hide this message: temporarily or permanently

Inflatable Restraint Instrument Panel Module Replacement

REMOVAL PROCEDURE

CAUTION: When you are carrying an undeployed inflator module:
^ Do not carry the inflator module by the wires or connector on the inflator module
^ Make sure the bag opening points away from you

When you are storing an undeployed inflator module, make sure the bag opening points away from the surface on which the inflator module rests. When you are storing a steering column, do not rest the column with the bag opening facing down and the column vertical. Provide free space for the air bag to expand in case of an accidental deployment. Otherwise, personal injury may result.





1. Disable the SIR system.
2. Remove the instrument panel upper trim pad. 3. Remove the Connector Position Assurance (CPA) from the inflatable restraint IP module yellow 2-way wiring harness connector.
4. Disconnect the inflatable restraint IP module yellow 2-way wiring harness connector.




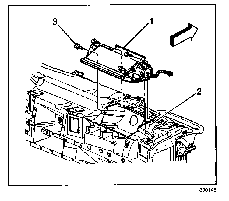
5. Remove the inflatable restraint IP module mounting fasteners (3).
6. Remove the inflatable restraint IP module (1) from the cross-car beam (2).

INSTALLATION PROCEDURE




1. Install the inflatable restraint IP module (1) to the cross-car beam (2).

NOTE: Refer to Fastener Notice in Service Precautions.

2. Install the inflatable restraint IP module mounting fasteners (3).

Tighten
Tighten fasteners to 10 N.m (89 lb in).




3. Connect the inflatable restraint IP module yellow 2-way wiring harness connector.
4. Install the CPA to the inflatable restraint IP module yellow 2-way wiring harness connector.
5. Install the instrument panel upper trim pad.
6. Enable the SIR system.