Operation CHARM: Car repair manuals for everyone.
Manuals through 2025 now available!

Our trusted friends have launched a new website named LEMON, which has newer manuals. It also contains all the CHARM manuals.

LEMON is the spiritual successor to CHARM, I recommend you try it!

Link: lemon-manuals.la or lemon-manuals.org.ua

(Some people have issue connecting. LEMON is investigating. For now, use Firefox or change your DNS server)

Or, hide this message: temporarily or permanently

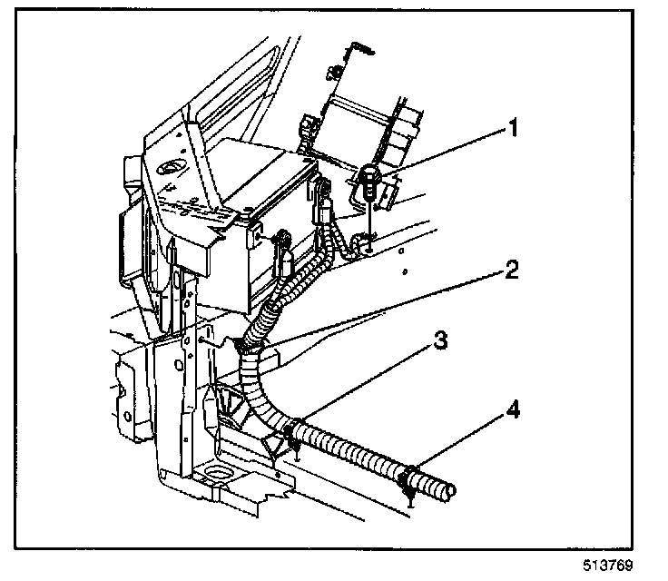
Battery Cable Replacement (Negative)

REMOVAL PROCEDURE

IMPORTANT: When replacing battery cables be sure to use replacement cables that are the same type, gauge and length.

CAUTION: Refer to Battery Disconnect Caution in Service Precautions.




1. Disconnect the negative battery cable from the battery.
2. Remove the negative battery cable bolt and the battery ground cable from the frame rail near the underhood accessory wiring junction block.




3. Raise and support the vehicle. Refer to Lifting and Jacking the Vehicle.
4. Remove the transaxle stud nut (3) and remove the battery ground cable (4) from the transaxle stud.




5. Remove the battery cable wiring harness from the harness retainers (2,3,4).
6. Remove the negative battery cable from the wiring harness conduit.

INSTALLATION PROCEDURE




1. Install the negative battery cable into the wiring harness conduit.
2. Install the battery wiring harness to the harness retainers (2,3,4).

NOTE: Refer to Fastener Notice in Service Precautions.




3. Install the battery ground cable (4) and the transaxle stud nut (3) to the transaxle stud.

Tighten
Tighten the transaxle stud nut (3) to 25 N.m (18 lb ft).

4. Lower the vehicle.




5. Install the negative battery cable and the negative battery cable bolt to the frame rail near the underhood accessory wiring junction block.

Tighten
Tighten the negative battery cable bolt to 8 N.m (71 lb in).

6. Connect the negative battery cable to the battery.