Operation CHARM: Car repair manuals for everyone.
Manuals through 2025 now available!

Our trusted friends have launched a new website named LEMON, which has newer manuals. It also contains all the CHARM manuals.

LEMON is the spiritual successor to CHARM, I recommend you try it!

Link: lemon-manuals.la or lemon-manuals.org.ua

(Some people have issue connecting. LEMON is investigating. For now, use Firefox or change your DNS server)

Or, hide this message: temporarily or permanently

Fluid Line/Hose: Service and Repair

Automatic Transmission Oil Cooler Pipes Replacement

Removal Procedure

Notice: Allow sufficient clearance around the transaxle oil cooler pipes and around the hoses to prevent damage or wear which may cause fluid loss.





1. Raise and support the vehicle. Refer to Vehicle Lifting.
2. Position the drain pan.
3. Remove the transaxle oil cooler hoses retaining bracket bolt from the transaxle.
4. Remove the transaxle oil cooler hoses from the transaxle.





5. Remove the lower radiator air deflector.
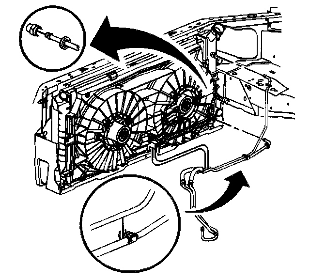
6. Disconnect the transaxle oil cooler pipes from the fittings at the radiator.

Important: Perform the following procedures when removing the retaining ring and transaxle oil cooler pipe from the quick connect fitting on the transmission.

7. Pull the plastic cap back from the quick connect fitting and down along the transaxle oil cooler pipe about two inches.





8. Using a bent-tip screwdriver, pull on one of the open ends of the retaining ring in order to rotate the retaining ring around the quick connect fitting until the retaining ring is out of position and can be completely removed.





9. Remove the retaining ring from the quick connect fitting.
10. Discard the retaining ring.





11. Pull the transaxle oil cooler pipe straight out from the quick connect fitting.
12. Remove the retaining ring (E-clip) securing the transaxle oil cooler pipe to the quick connect in order to remove the remaining transaxle oil cooler pipes from the remaining quick connect fittings.
13. Remove the transaxle oil cooler pipe clip bolt.
14. Remove the transaxle oil cooler pipes from the vehicle.

Installation Procedure





1. Install the transaxle oil cooler pipes.

Important:
^ Do not reuse any of the existing retaining rings that were removed from the existing quick connect fittings. All retaining rings being installed must be new.
^ Ensure the following procedures are performed when installing the new retaining rings onto the fittings.

2. Install a new retaining ring (E-clip) into the quick connect fitting using the following procedure:





3. Hook one of the open ends of retaining ring in one of the slots in the quick connect fitting.





4. Rotate the retaining ring around the fitting until the retaining ring is positioned with all three ears through the three slots on the fitting.





5. Do not install the new retaining ring onto the fitting by pushing the retaining ring.





6. Ensure that the three retaining ring ears are seen from inside the fitting and that the retaining ring moves freely in the fitting slots.
7. Install the new retaining ring (E-clip) into the remaining quick connect fittings.





Notice: Ensure that the cooler line being installed has a plastic cap on each end that connects to a quick connect fitting. If no plastic cap exists, or the plastic cap is damaged, obtain a new plastic cap and position on to the cooler line prior to the cooler line installation.

8. Install the transaxle oil cooler pipes to the vehicle.





9. Install the transaxle oil cooler pipe into the quick connect fitting.
10. Insert the transaxle oil cooler pipe end into the quick connect fitting until a click is either heard or felt.





11. Do not use the plastic cap on the transaxle oil cooler pipe in order to install the transaxle oil cooler pipe into the fitting.
12. Pull back sharply on the transaxle oil cooler pipe in order to ensure that the transaxle oil cooler pipe is fastened into the quick connect fitting.





13. Position (snap) the plastic cap onto the fitting. Do not manually depress the retaining ring when installing the plastic cap onto the quick connect fitting.
14. Ensure that the plastic cap is fully seated against the fitting.





15. Ensure that no gap is present between the cap and the fitting.





16. Ensure that the yellow identification band on the tube is hidden within the quick connect fitting. A hidden yellow identification band indicates proper joint seating.





17. Do not install the transaxle oil cooler pipe end into the fitting incorrectly.
18. If you cannot position the plastic cap against the fitting, remove the retaining ring from the quick connect fitting per Step 5 of the transaxle oil cooler pipe removal procedure. Check the retaining ring and the transaxle oil cooler pipe end in order to ensure neither is bent. Replace the transaxle oil cooler pipe or the retaining ring if necessary, and install per Step 2 of the transaxle oil cooler pipe installation procedure.





19. Install the transaxle oil cooler hoses to the transaxle.

Notice: Refer to Fastener Notice in Service Precautions.

20. Install the transaxle oil cooler pipe clip bolt.
^ Tighten the transaxle oil cooler pipe clip bolt to 4 Nm (27 inch lbs.).
21. Install the lower radiator air deflector.
22. Lower the vehicle.

Notice: Do NOT overfill the transaxle. The overfilling of the transaxle causes foaming, loss of fluid, shift complaints, and possible damage to the transaxle.

23. Adjust the fluid level.
24. Inspect for proper completion of the repairs.
25. Inspect for fluid leaks.