Operation CHARM: Car repair manuals for everyone.
Manuals through 2025 now available!

Our trusted friends have launched a new website named LEMON, which has newer manuals. It also contains all the CHARM manuals.

LEMON is the spiritual successor to CHARM, I recommend you try it!

Link: lemon-manuals.la or lemon-manuals.org.ua

(Some people have issue connecting. LEMON is investigating. For now, use Firefox or change your DNS server)

Or, hide this message: temporarily or permanently

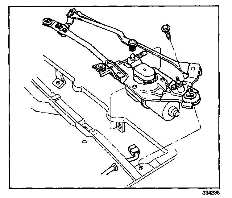
Wiper Gear Box: Service and Repair

TOOLS REQUIRED
^ J 39232 Wiper Transmission Separator
^ J 39529 Wiper Transmission Installer

REMOVAL PROCEDURE




1. Remove the wiper arms.
2. Remove the air inlet grille panel.
3. Disconnect the electrical connector from the wiper motor.
4. Disconnect the wiper transmission from wiper motor crank arm using the J 39232.




5. Remove three screws and the wiper drive system module from the vehicle.
6. Remove three grommets from the tube frame.




7. Remove two caps from the wiper transmission.
8. Remove four screws and the wiper transmission from the tube frame.
9. Remove the wiper motor and crank arm from the tube frame.

INSTALLATION PROCEDURE




1. Install the wiper motor and crank arm onto the tube frame.

NOTE: Refer to Fastener Notice in Service Precautions.

2. Install the wiper transmission on the tube frame with four screws.

Tighten
Tighten the upper transmission screws to 9 N.m (80 lb in).

3. Install two new caps onto the wiper transmission.




4. Install three grommets onto the tube frame.




5. Install the wiper drive system module on the vehicle with three screws.

Tighten
Tighten the wiper drive system module screws to 10 N.m (88 lb in).




6. Connect the wiper transmission to the wiper motor crank arm using the J 39529.
7. Connect the electrical connector to the wiper motor.
8. Install the air inlet grille panel.
9. Install the wiper arms.
10. Operate the windshield wipers and inspect for proper operation.