Operation CHARM: Car repair manuals for everyone.
Manuals through 2025 now available!

Our trusted friends have launched a new website named LEMON, which has newer manuals. It also contains all the CHARM manuals.

LEMON is the spiritual successor to CHARM, I recommend you try it!

Link: lemon-manuals.la or lemon-manuals.org.ua

(Some people have issue connecting. LEMON is investigating. For now, use Firefox or change your DNS server)

Or, hide this message: temporarily or permanently

Air Flow Meter/Sensor: Service and Repair

MASS AIR FLOW/INTAKE AIR TEMPERATURE (IAT) SENSOR REPLACEMENT

REMOVAL PROCEDURE

IMPORTANT: Take care when handling the mass air flow/intake air temperature (MAF/IAT) sensor. Do not dent, puncture, or otherwise damage the honeycell located at the air inlet end of the MAF/IAT. Do not touch the sensing elements or allow anything including cleaning solvents and lubricants to come in contact with them. Use a small amount of a non-silicone based lubricant, on the air duct only, to aid in installation. Do not drop or roughly handle the MAF/IAT sensor.




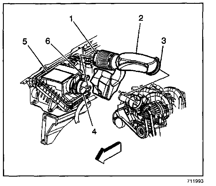
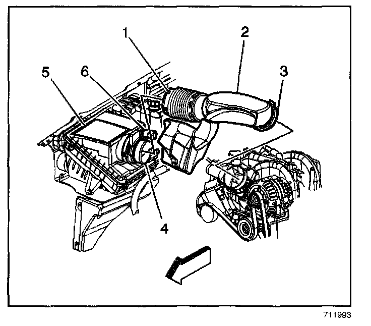
1. Loosen the clamps (1)(3) at the MAF/IAT sensor (4) and at the throttle body.
2. Remove the air intake duct (2) from the MAF/IAT sensor and the throttle body.
3. Disconnect the MAF/IAT sensor electrical connector.
4. Loosen the clamp securing the MAF/IAT (4) sensor to the air cleaner housing (5).
5. Remove the MAF/IAT (4) sensor from the air cleaner assembly (5).

INSTALLATION PROCEDURE

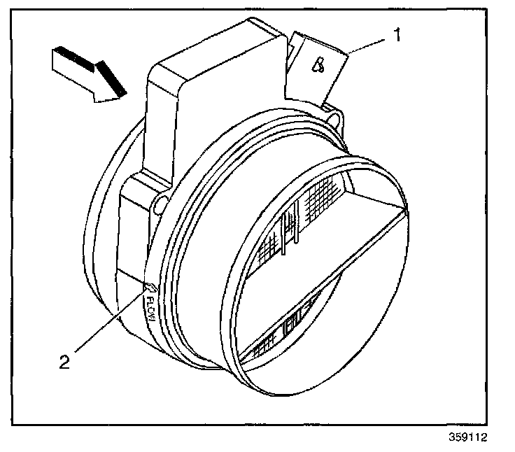
IMPORTANT: The embossed arrow on the MAF/IAT sensor indicates the proper air flow direction. The arrow must point toward the engine.




1. Locate the air flow direction arrow (2) on the MAF/IAT sensor.




2. Install the MAF/IAT sensor (4) on to the air cleaner housing (5).
3. Tighten the clamp securing the MAF/IAT (4) sensor to the air cleaner housing (5).
4. Connect the MAF/IAT electrical connector.
5. Install the air intake duct (2) to the MAF/IAT sensor and the throttle body.
6. Tighten the clamps (1,3) at the MAF/IAT sensor (4) and the throttle body.