Operation CHARM: Car repair manuals for everyone.
Manuals through 2025 now available!

Our trusted friends have launched a new website named LEMON, which has newer manuals. It also contains all the CHARM manuals.

LEMON is the spiritual successor to CHARM, I recommend you try it!

Link: lemon-manuals.la or lemon-manuals.org.ua

(Some people have issue connecting. LEMON is investigating. For now, use Firefox or change your DNS server)

Or, hide this message: temporarily or permanently

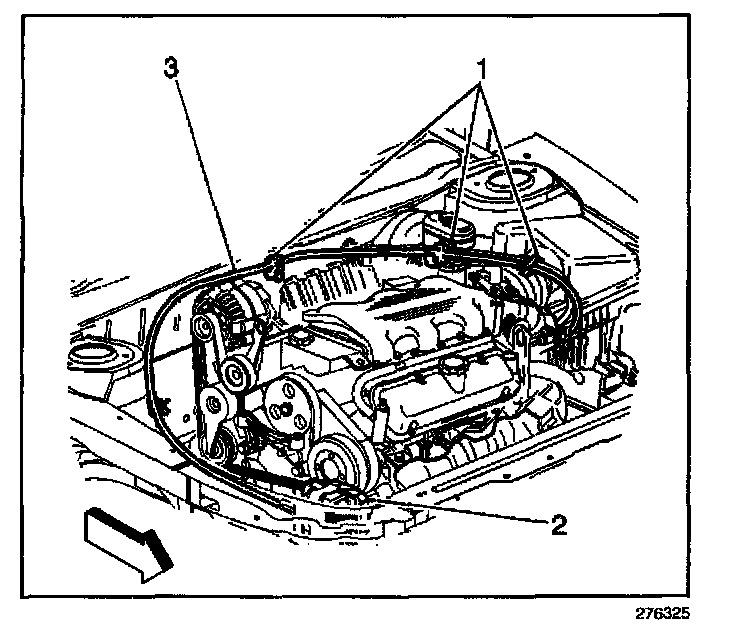
Cruise Control Servo Cable: Service and Repair

CRUISE CONTROL CABLE REPLACEMENT

REMOVAL PROCEDURE




1. Open the hood.
2. Disconnect the cruise control cable tab (5) from the throttle body cam (6). Rotate the throttle to 1/4 open throttle in order to release the tab (5).
3. In order to release the cable (4), push the locating fitting inward and pull the unit tree from the throttle bracket (1).




4. Remove the cable assembly from the module by turning the cable assembly 1/4 turn counterclockwise.




5. Remove the cable from the ribbon.




6. Remove the cable (3) from the retaining clips (1).

INSTALLATION PROCEDURE




1. Install the cable (3) to the retaining clips (1).




2. Install the cable to the ribbon.

IMPORTANT: Ensure that the ribbon does not become twisted when connecting the cable to the module.




3. Connect the cable assembly to the module by turning the cable assembly 1/4 turn clockwise.




4. Install the cruise control cable tab (5) to the throttle body cam (6).
5. Align the cruise control cable fitting (4) to the throttle body bracket (1). Snap the fitting into place. Ensure that the fitting is retained.
6. Adjust the cruise control cable. Refer to Cruise Control Cable Adjustment.
7. Close the hood.