Operation CHARM: Car repair manuals for everyone.
Manuals through 2025 now available!

Our trusted friends have launched a new website named LEMON, which has newer manuals. It also contains all the CHARM manuals.

LEMON is the spiritual successor to CHARM, I recommend you try it!

Link: lemon-manuals.la or lemon-manuals.org.ua

(Some people have issue connecting. LEMON is investigating. For now, use Firefox or change your DNS server)

Or, hide this message: temporarily or permanently

Electronic Brake Control Module: Service and Repair

Electronic Brake Control Module (EBCM) Replacement

Removal Procedure

Notice: To prevent equipment damage, never connect or disconnect the wiring harness connection from the EBCM with the ignition switch in the ON position.

1. Raise and support the vehicle on a suitable hoist. Refer to Vehicle Lifting.
2. Remove the left engine splash shield.





3. Remove the Connector Position Assurance (CPA) (2) from the connector lock tab (1).
4. Push the lock tab (1) down and then move the sliding connector cover to the open position.





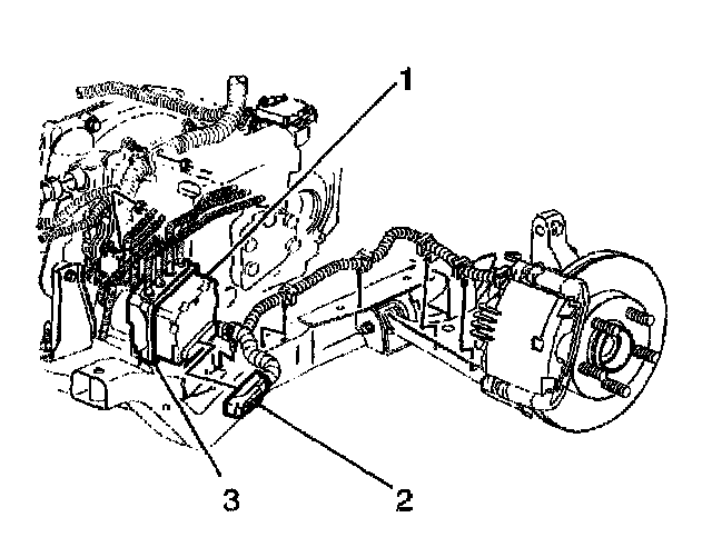
5. Disconnect the EBCM harness connector (2) from the EBCM (1).
6. Brush off any dirt or debris that has accumulated on the EBCM/BPMV assembly.
7. Remove the four EBCM to BPMV screws.

Important: Do not pry apart using a tool. Be careful not to damage the BPMV surface.

Important: Care must be taken not to damage the solenoid valves when the EBCM is removed from the BPMV.





8. Remove the EBCM (1) from the BPMV (2) by gently pulling apart until separated.

Installation Procedure
1. Clean the EBCM gasket and the BPMV surface with alcohol using a clean rag.





2. Install the EBCM (1) to the BPMV (2).

Notice: Refer to Fastener Notice in Service Precautions.

3. Install the four screws that attach the EBCM (1) to the BPMV (2).
- Tighten the screws to 5 Nm (44 inch lbs.).





4. Connect the EBCM harness connector (2) to the EBCM (1).





5. Push down the harness connector lock tab (1) and then move the sliding connector cover back in the home position to lock.
6. Push the CPA (2) back into place.
7. Install the left engine splash shield.
8. Lower the vehicle. Refer to Vehicle Lifting.