Operation CHARM: Car repair manuals for everyone.
Manuals through 2025 now available!

Our trusted friends have launched a new website named LEMON, which has newer manuals. It also contains all the CHARM manuals.

LEMON is the spiritual successor to CHARM, I recommend you try it!

Link: lemon-manuals.la or lemon-manuals.org.ua

(Some people have issue connecting. LEMON is investigating. For now, use Firefox or change your DNS server)

Or, hide this message: temporarily or permanently

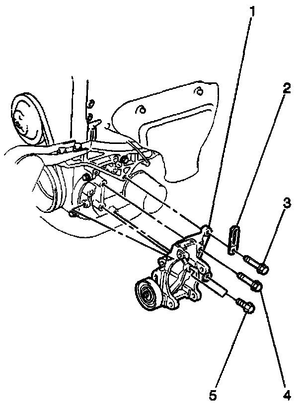
Compressor Mounting Bracket Replacement

REMOVAL PROCEDURE




1. If the vehicle is equipped with power steering, refer to Power Steering Pump Replacement in Power Steering for the following removal procedures:
^ The power steering pump
^ The mounting bracket
2. Disconnect the compressor clutch electrical connector (6).
3. Raise and suitably support the vehicle. Refer to Lifting and Jacking the Vehicle in Vehicle Lifting.
4. Remove the engine splash shield.




5. Loosen the idler pulley locknut (4).
6. Loosen the idler pulley adjusting bolt (1).




7. Remove the compressor drive belt (2) from the clutch pulley.




8. Remove the 3 bolts (1,4,5) from the compressor.
9. Set the compressor aside.




10. Remove the 4 bolts (3,4,5) and the compressor mounting bracket from the vehicle.

INSTALLATION PROCEDURE




1. Install the compressor mounting bracket to the engine block.

IMPORTANT: The correct torque sequence is essential in order to prevent damage to the engine block or to the compressor bracket.

NOTE: Refer to Fastener Notice in Service Precautions.

2. Secure the compressor bracket with 4 bolts. Tighten the bolts in the following sequence:
2.1. The bolt (4)
2.2. The bolt (5)
2.3. The bolt (3)
3. Tighten the bolts.

Tighten
Tighten the compressor bracket bolts to 34.3-39.2 N.m (25.2-28.8 lb ft).

IMPORTANT: The correct torque sequence is essential in order to prevent damage to the compressor or to the compressor bracket.




4. Install the compressor to the compressor bracket.
5. Secure the compressor with 3 bolts (1,4,5). Tighten the bolts in the following sequence:
5.1. The bolt (4)
5.2. The bolt (5)
5.3. The bolt (1)
6. Tighten the bolts.

Tighten
Tighten the compressor bolts to 22.5-27.4 N.m (16.5-20.1 lb ft).




7. Install the compressor drive belt (2).
8. Verity that the belt is correctly aligned on the compressor, on the power steering, and on the crankshaft pulleys.




9. Adjust the drive belt tension.
9.1. Turn the idler pulley adjusting bolt (1) in order to obtain belt deflection that measures 7-9 mm (0.28-0.35 in) at 10 kg (22 lb) of force.
9.2. Tighten the idler pulley locknut (4).

Tighten
Tighten the idler pulley locknut to 44.1-49 N.m (32.4-36 lb ft).




10. Connect the compressor clutch electrical connector (6).
11. Secure the electrical connector wire with the clamps (5).
12. Install the engine splash shield.
13. Lower the vehicle.
14. Install the power steering pump and the bracket, if removed, Refer Power Steering Pump Replacement to in Power Steering.