Operation CHARM: Car repair manuals for everyone.
Manuals through 2025 now available!

Our trusted friends have launched a new website named LEMON, which has newer manuals. It also contains all the CHARM manuals.

LEMON is the spiritual successor to CHARM, I recommend you try it!

Link: lemon-manuals.la or lemon-manuals.org.ua

(Some people have issue connecting. LEMON is investigating. For now, use Firefox or change your DNS server)

Or, hide this message: temporarily or permanently

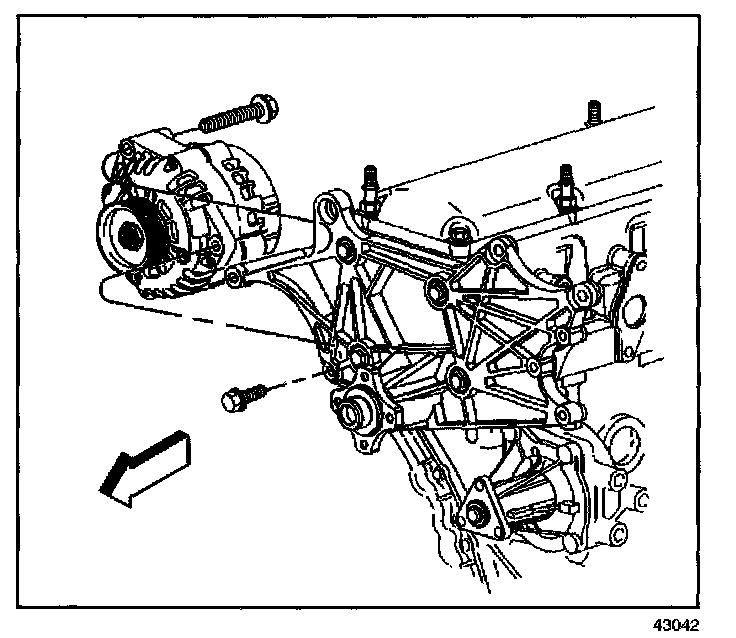
Generator Replacement

REMOVAL PROCEDURE

CAUTION: Refer to Battery Disconnect Caution in Service Precautions.




1. Disconnect the negative battery cable.
2. Remove the drive belt.
3. Raise and support the vehicle. Refer to Lifting and Jacking the Vehicle.
4. Working through the wheel well, remove the generator rear brace from the engine.
- Remove the generator brace to the engine block bolt.
- Remove the generator brace to the intake manifold nut.
- Remove the generator brace to the engine stud nut.




5. Disconnect the generator electrical connector.




6. Remove the generator output (BAT) terminal nut and wire.




7. Remove the generator mounting bolts.
8. Remove the generator from the vehicle.

INSTALLATION PROCEDURE




1. Install the generator to the vehicle.

NOTE: Refer to Fastener Notice in Service Precautions.

2. Install the generator mounting bolts.

Tighten
2.1. Tighten the rear generator bolt to 50 N.m (37 lb ft).
2.2. Tighten the front generator bolt to 25 N.m (18 lb ft).




3. Install the generator output (BAT) terminal feed wire and retaining nut to the generator.

Tighten
Tighten the generator output (BAT) terminal nut to 17 N.m (12 lb ft).




4. Connect the electrical connector to the generator.




5. Working through the wheel well, install the generator rear brace to the engine.
- Install the generator rear brace to the engine block bolt.
- Install the generator rear brace to the intake manifold stud nut.
- Install the generator rear brace to the engine stud nut.

Tighten
- Tighten the generator rear brace to the generator bolt to 25 N.m (18 lb ft).
- Tighten the generator rear brace to the air intake plenum stud nut to 25 N.m (18 lb ft).
- Tighten the generator rear brace to the engine stud nut to 50 N.m (37 lb ft).

6. Lower the vehicle.
7. Install the drive belt.
8. Connect the negative battery cable.