Operation CHARM: Car repair manuals for everyone.
Manuals through 2025 now available!

Our trusted friends have launched a new website named LEMON, which has newer manuals. It also contains all the CHARM manuals.

LEMON is the spiritual successor to CHARM, I recommend you try it!

Link: lemon-manuals.la or lemon-manuals.org.ua

(Some people have issue connecting. LEMON is investigating. For now, use Firefox or change your DNS server)

Or, hide this message: temporarily or permanently

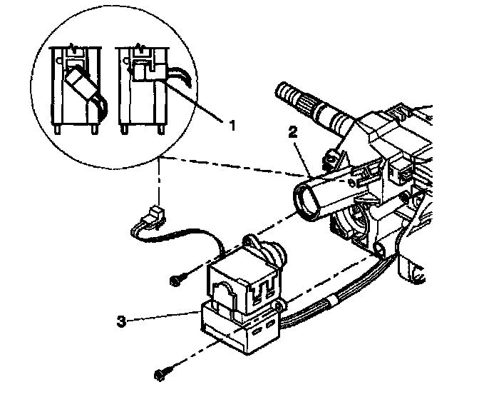
Electronic Column Lock Module - Disassemble

1. Remove the steering column tilt head assembly. Refer to Steering Column Tilt Head Housing-Disassemble-Off Vehicle





2. Slide the PASSKEYS (R) III (2) off of the electronic lock module assembly (1).





3. Remove the key alarm connector (1) from the electronic lock module assembly (2).
4. Remove the two tapping screws from the ignition key alarm switch assembly (3).
5. Let both parts hang freely.





6. Remove the park lock cable assembly (1) from the electronic lock module assembly.





7. Remove the three pan head tapping screws (2) from the electronic lock module assembly (1).
8. Remove the electronic lock module assembly (1).