Operation CHARM: Car repair manuals for everyone.
Manuals through 2025 now available!

Our trusted friends have launched a new website named LEMON, which has newer manuals. It also contains all the CHARM manuals.

LEMON is the spiritual successor to CHARM, I recommend you try it!

Link: lemon-manuals.la or lemon-manuals.org.ua

(Some people have issue connecting. LEMON is investigating. For now, use Firefox or change your DNS server)

Or, hide this message: temporarily or permanently

Engine Block Heater: Service and Repair

Coolant Heater Replacement

Removal Procedure
1. Drain the engine coolant.





2. If not originally equipped with an engine coolant heater, remove the coolant jacket plug by using the following procedure:
2.1. Carefully tap the coolant jacket plug near the outer edge. This causes the plug to rotate in the hole.
Do not score the machined surface of the hole.
2.2. Grasp the plug with pliers and pull the plug out.
3. Remove the cord from the engine coolant heater.
4. Loosen the bolt.
5. Remove the engine coolant heater.
6. Clean the core plug hole. Remove any of the following conditions:
- Burrs
- Compound
- Paint
- Rough spots

Installation Procedure
1. Apply a coating of lubricant to the O-ring seal and the cleaned surface of the plug opening in the block. Use a water spray resistant, high-temperature grease lubricant (GM P/N 9985164 or equivalent).

Notice: The block heater element must not touch the engine block inner wall in the installed position or damage to the engine block and the block heater could result.





2. Install the engine block heater into the engine block. Position the heater element 90 degrees perpendicular (1) to the crankshaft centerline.





3. Push the engine coolant heater into the block until the outer edge is flush with the engine block surface.

Notice: Refer to Fastener Notice in Service Precautions.





4. Tighten the bolt until both locking wings draw tight against the inner wall of the engine block.
Tighten the bolt to 1.9 Nm (17 inch lbs.).

Notice: The heater cord must not touch the engine, hot pipes, manifold, or any moving parts. Route the cord to the left front of the engine compartment securing with tie straps as necessary to prevent damage.





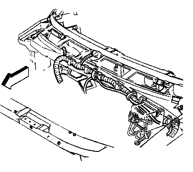
5. Install the heater cord to the coolant heater. Route and secure the heater cord through the engine as shown.





6. Route and secure the heater cord across the engine cowl as shown.





7. Route and secure the heater cord to the VCM wiring harness.
8. Fill the reservoir with engine coolant.
9. Inspect the system for leaks.