Compressor Replacement
TOOLS REQUIREDJ 39400-A Halogen Leak Detector
REMOVAL PROCEDURE
1. Remove the air cleaner.
2. Remove the upper half of the fan shroud.
3. Recover the refrigerant from the system. Refer to Refrigerant Recovery and Recharging.
4. Disconnect the electrical connector (1) from the A/C clutch.
5. Remove the drive belt.
6. Remove the engine cover.
7. Remove the oil filler tube.
8. Disconnect the electrical connector (2) from the A/C compressor high pressure cutoff switch.
9. Remove the compressor hose assembly bolt (3) from the compressor.
10. Remove the compressor hose assembly seal washers.
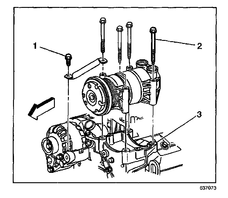
11. Remove the compressor brace bolt (1).
12. Remove the compressor bolts (2).
13. Remove the compressor brace.
14. Remove the compressor from the vehicle.
15. If replacing the A/C compressor, drain and measure as much of the oil from the removed compressor as possible.
15.1. Drain the oil from both the suction and discharge ports of the removed A/C compressor into a clean container.
15.2. Remove the A/C compressor crankcase oil drain plug and drain the crankcase oil into the same container.
15.3. Measure and record the amount of oil that was drained from the removed A/C compressor.
This measurement will be used during installation of the replacement A/C compressor.
INSTALLATION PROCEDURE
IMPORTANT: The compressor is shipped without oil.
1. Add oil to the compressor. Refer to Refrigerant System Capacities, if replacing the compressor.
2. Install the compressor to the vehicle.
3. Install the compressor brace.
NOTE: Refer to Fastener Notice in Service Precautions.
4. Install the compressor bolts (2).
Tighten
Tighten the bolts to 50 N.m (37 lb ft).
5. Install the bolt (1).
Tighten
Tighten the bolt to 25 N.m (18 lb ft).
6. Install the compressor hose assembly seal washers.
7. Install the compressor hose assembly bolt (3) to the compressor.
Tighten
The bolt to 34 N.m (25 lb ft).
8. Connect the electrical connector (2) to the A/C compressor high pressure cutoff switch.
9. Install the oil filler tube.
10. Install the drive belt.
11. Install the engine cover.
12. Connect the electrical connectors (1) to the coil.
13. Evacuate and recharge the refrigerant system. Refer to Refrigerant Recovery and Recharging.
14. Leak test the fittings of the component using the J 39400-A.
15. Install the upper half of the fan shroud.
16. Install the air cleaner.