Operation CHARM: Car repair manuals for everyone.
Manuals through 2025 now available!

Our trusted friends have launched a new website named LEMON, which has newer manuals. It also contains all the CHARM manuals.

LEMON is the spiritual successor to CHARM, I recommend you try it!

Link: lemon-manuals.la or lemon-manuals.org.ua

(Some people have issue connecting. LEMON is investigating. For now, use Firefox or change your DNS server)

Or, hide this message: temporarily or permanently

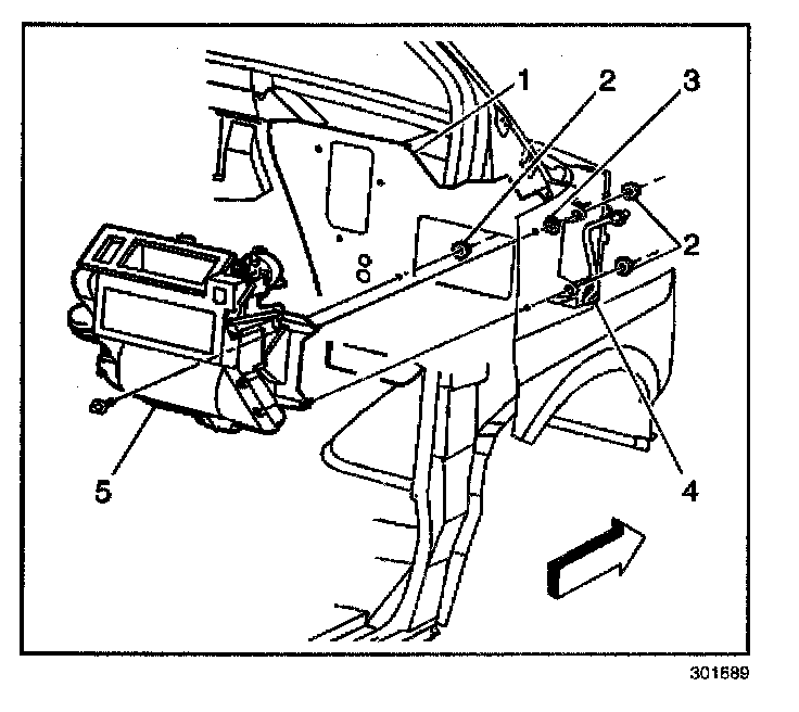
Heater Case/Cover Replacement

HEATER CASE REPLACEMENT (C60)

REMOVAL PROCEDURE




1. Drain the engine coolant. Refer to Draining and Filling Cooling System in Cooling System.
2. Recover the refrigerant. Refer to Refrigerant Recovery and Recharging.
3. Remove the heater hoses from the heater core.
4. Remove the evaporator case from the vehicle.




5. Remove the heater case retaining nuts (2) from the engine compartment.
6. Roll out the instrument panel. Refer to IP Carrier Replacement in Instrument Panel, Gages and Console.
7. Disconnect the electrical connectors.
8. Disconnect the vacuum lines.
9. Remove the heater case (5) from the vehicle.

INSTALLATION PROCEDURE




1. Install the heater case (5) to the vehicle.
2. Connect the vacuum lines.
3. Connect the electrical connectors.
4. Roll the instrument panel upward. Refer to IP Carrier Replacement in Instrument Panel, Gages and Console.

NOTE: Refer to Fastener Notice in Service Precautions.

5. Install the heater case retaining nuts (2) to the engine compartment.

Tighten
Tighten the nuts to 6 N.m (53 lb in).

6. Install the evaporator casing to the vehicle.




7. Connect the heater hoses from the heater core.
8. Evacuate and recharge the A/C system. Refer to Refrigerant Recovery and Recharging.
9. Fill the engine coolant. Refer to Draining and Filling Cooling System in Cooling System.

For a description of the RPO Code(s) shown in this article/images refer to the RPO Code List found at Vehicle/Application ID. RPO Codes