Operation CHARM: Car repair manuals for everyone.
Manuals through 2025 now available!

Our trusted friends have launched a new website named LEMON, which has newer manuals. It also contains all the CHARM manuals.

LEMON is the spiritual successor to CHARM, I recommend you try it!

Link: lemon-manuals.la or lemon-manuals.org.ua

(Some people have issue connecting. LEMON is investigating. For now, use Firefox or change your DNS server)

Or, hide this message: temporarily or permanently

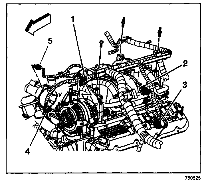
Generator Replacement

REMOVAL PROCEDURE

CAUTION: Refer to Battery Disconnect Caution in Service Precautions.




1. Disconnect the negative battery cable.
2. Disconnect the generator electrical connector (1).




3. Remove the generator cable from the generator, perform the following:
- Slide the boot down revealing the terminal stud.
- Remove the generator cable nut from the terminal.
- Remove the generator cable.




4. Remove the drive belt.
5. Remove the generator bolts.
6. Remove the generator.

INSTALLATION PROCEDURE




1. Install the generator.

NOTE: Refer to Fastener Notice in Service Precautions.

2. Install the generator bolts.

Tighten
Tighten the generator bolts to 50 N.m (37 lb ft).

3. Install the drive belt.




4. Install the generator cable to the generator, perform the following:
4.1. Install the generator cable.
4.2. Install the generator cable nut to the terminal.

Tighten
Tighten the generator cable nut to 9 N.m (80 lb in).

4.3. Slide the boot over the terminal stud.




5. Connect the generator electrical connector (1).
6. Connect the negative battery cable.