Operation CHARM: Car repair manuals for everyone.
Manuals through 2025 now available!

Our trusted friends have launched a new website named LEMON, which has newer manuals. It also contains all the CHARM manuals.

LEMON is the spiritual successor to CHARM, I recommend you try it!

Link: lemon-manuals.la or lemon-manuals.org.ua

(Some people have issue connecting. LEMON is investigating. For now, use Firefox or change your DNS server)

Or, hide this message: temporarily or permanently

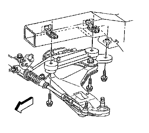
Crossmember Replacement



Crossmember Replacement

Tools Required
* J 41044 Engine Support Adapters
* J 42451 Engine Support Adapter Kit
* J 28467-B Universal Support Fixture
* J 36462-A Engine Support Adapter

Removal Procedure




1. Remove the lower control arms.
2. Using the J 41044, J 42451, J 28467-B, and J 36462-A support/raise the engine.
3. Remove the steering gear.
4. Remove the engine mounts.
5. Remove the brake pipe clip bolt (2) from the passenger side of the crossmember (1).




6. Remove the brake pipe clip bolt (1) from the driver side of the crossmember.




7. Disconnect the wheel speed sensor electrical connector (3).
8. Remove the harness clip (2) from the crossmember (1).




9. Remove the harness clips (1) from the crossmember (2).




10. Remove the crossmember bolts.
11. Slide the brake pipes from the crossmember.
12. Remove the crossmember from the vehicle.

Installation Procedure




1. Install the crossmember to the vehicle.
2. Slide the brake pipes onto the crossmember.

Notice: Refer to Fastener Notice in Service Precautions.

3. Install the crossmember bolts.

* Tighten the lower crossmember bolts to 125 N.m (92 lb ft).
* Tighten the upper crossmember bolts to 145 N.m (107 lb ft).




4. Install the harness clips (1) to the crossmember (2).




5. Connect the wheel speed sensor electrical connector (3).
6. Install the harness clip (2) from the crossmember (1).




7. Install the brake pipe clip bolt (1) from the driver side of the crossmember.

Tighten the brake pipe clip bolt (1) to 13 N.m (115 lb in).




8. Remove the brake pipe clip bolt (2) from the passenger side of the crossmember (1).

Tighten the brake pipe clip bolt (2) to 13 N.m (115 lb in).

9. Install the steering gear.
10. Install the engine mounts.
11. Remove the J 41044, J 42451, J 28467-B, and J 36462-A.
12. Install the lower control arms.