Operation CHARM: Car repair manuals for everyone.
Manuals through 2025 now available!

Our trusted friends have launched a new website named LEMON, which has newer manuals. It also contains all the CHARM manuals.

LEMON is the spiritual successor to CHARM, I recommend you try it!

Link: lemon-manuals.la or lemon-manuals.org.ua

(Some people have issue connecting. LEMON is investigating. For now, use Firefox or change your DNS server)

Or, hide this message: temporarily or permanently

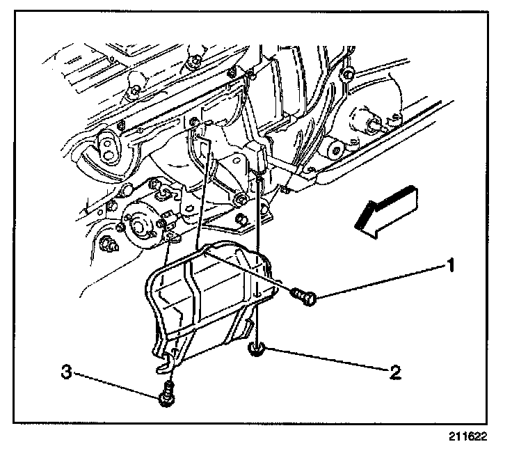
Starter Shield Replacement

REMOVAL PROCEDURE




1. Raise and suitably support the vehicle. Refer to Lifting and Jacking the Vehicle.
2. Remove the starter motor shield bolts (1, 3) and nut (2).
3. Remove the starter motor shield.

INSTALLATION PROCEDURE




1. Install the starter motor shield

NOTE: Refer to Fastener Notice in Service Precautions.

2. Install the starter shield nut (2) and bolts (1, 3).

Tighten
^ Tighten to starter motor shield bolt (1) to 30 N.m (22 lb ft).
^ Tighten the starter motor shield bolt (3) and nut (2) to 10 N.m (89 lb in).

3. Lower the vehicle.