Operation CHARM: Car repair manuals for everyone.
Manuals through 2025 now available!

Our trusted friends have launched a new website named LEMON, which has newer manuals. It also contains all the CHARM manuals.

LEMON is the spiritual successor to CHARM, I recommend you try it!

Link: lemon-manuals.la or lemon-manuals.org.ua

(Some people have issue connecting. LEMON is investigating. For now, use Firefox or change your DNS server)

Or, hide this message: temporarily or permanently

Condenser HVAC: Service and Repair

CONDENSER REPLACEMENT

TOOLS REQUIRED
J 39400-A Halogen Leak Detector

REMOVAL PROCEDURE




1. Recover the refrigerant. Refer to Refrigerant Recovery and Recharging .
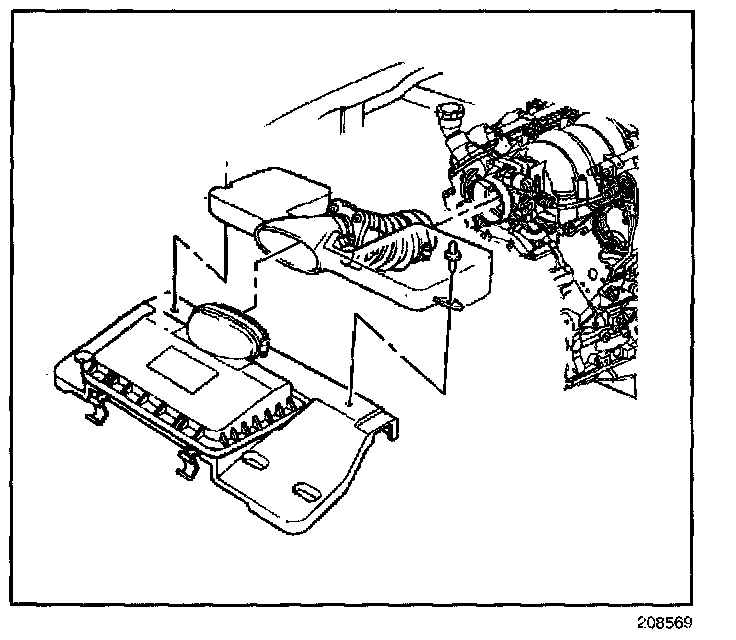
2. Disconnect the intake air temperature sensor connector from the air intake duct (3.8).




3. Disconnect the intake air temperature sensor and mass airflow sensor connectors from the air intake duct (5.7).




4. Remove the air intake duct (3.8).




5. Remove the air intake duct (5.7)
6. Remove the radiator support.
7. Raise and support the vehicle. Refer to Lifting and Jacking the Vehicle.




8. Remove the A/C compressor hose assembly nut from the condenser.
9. Discard the O-ring.




10. Remove the A/C evaporator tube bolt from the condenser.
11. Discard the O-ring.
12. Remove the radiator air upper baffle from the condenser.




13. Remove the condenser from the radiator.

INSTALLATION PROCEDURE




1. Install the condenser to the radiator.
2. Install the radiator air upper baffle to the condenser.




3. Install a new O-ring.

NOTE: Refer to Fastener Notice in Service Precautions.

4. Install the A/C evaporator tube bolt to the condenser.

Tighten
Tighten the A/C evaporator tube bolt to the condenser to 16 N.m (12 lb ft).




5. Install a new O-ring.
6. Install the A/C compressor hose assembly nut to the condenser.

Tighten
Tighten the A/C compressor hose assembly nut to the condenser to 16 N.m (12 lb ft).

7. Lower the vehicle.
8. Install the radiator support.




9. For the 5.7L engine install the air intake duct.




10. For the 3.8L engine install the air intake duct.




11. Connect the intake air temperature sensor and mass airflow sensor connectors to the air intake duct (5.7).




12. Connect the intake air temperature sensor connector to the air intake duct (3.8).
13. Evacuate and charge the refrigerant system. Refer to Refrigerant Recovery and Recharging .
14. Leak test the fittings of the component using the J 39400-A.