Operation CHARM: Car repair manuals for everyone.
Manuals through 2025 now available!

Our trusted friends have launched a new website named LEMON, which has newer manuals. It also contains all the CHARM manuals.

LEMON is the spiritual successor to CHARM, I recommend you try it!

Link: lemon-manuals.la or lemon-manuals.org.ua

(Some people have issue connecting. LEMON is investigating. For now, use Firefox or change your DNS server)

Or, hide this message: temporarily or permanently

Housing Assembly HVAC: Service and Repair

HVAC MODULE ASSEMBLY REPLACEMENT

REMOVAL PROCEDURE




1. Drain the cooling system. Refer to Draining and Filling Cooling System in Cooling System.
2. Recover the refrigerant. Refer to Refrigerant Recovery and Recharging .
3. Remove the evaporator tube from the evaporator. Remove the condenser tube from the evaporator.
4. Raise and support the vehicle. Refer to Lifting and Jacking the Vehicle.
5. Remove the HVAC module assembly bolts that are located on the passenger side of the vehicle.
6. Lower the vehicle.
7. Disconnect the neater hoses from the heater core.
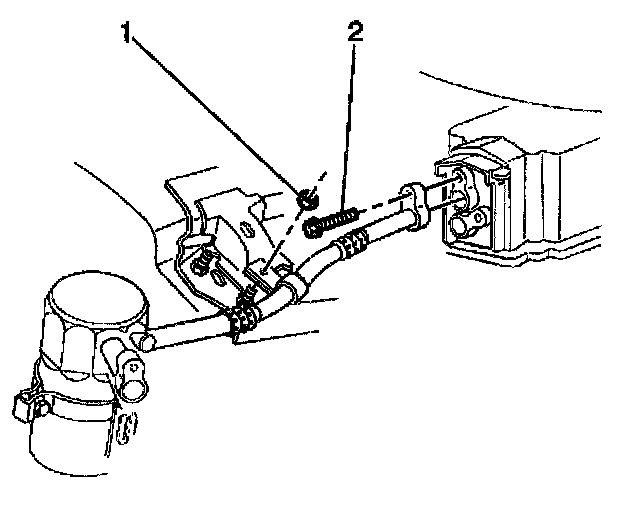
8. Remove the accumulator bolt (2) from the HVAC module assembly.
9. Remove the instrument panel carrier.
10. Remove the floor air outlet.
11. Disconnect the wiring harness from the HVAC module assembly.
12. Disconnect the electrical connections from the following locations:
^ The blower motor
^ The blower resistor
13. Remove the interior HVAC module assembly retaining bolts




14. Remove the PCM and bracket. Reposition the PCM.
15. Disconnect vacuum harness from the HVAC module assembly.
16. Remove the temperature cable from the HVAC module assembly.




17. Remove the remaining HVAC module assembly retaining bolts from under the hood.
18. Remove the cross vehicle support bar.
19. Remove the kick panels.
20. Pull back the carpet.
21. Remove the interior HVAC module assembly bolts.

IMPORTANT: DO NOT tilt the HVAC module assembly or coolant may leak out.




22. Remove the HVAC module assembly from the vehicle.

INSTALLATION PROCEDURE




1. Install the HVAC module assembly to the vehicle.

NOTE: Refer to Fastener Notice in Service Precautions.

2. Install the interior HVAC module assembly retaining bolts.

Tighten
Tighten the bolts to 2 N.m (18 lb in).




3. Install hinge pillar trim.
4. Install cross vehicle support bar.
5. Install the HVAC module assembly retaining bolts under the hood.

Tighten
Tighten the bolts to 2 N.m (18 lb in).

6. Install the temperature control cable to the HVAC module assembly.
Connect the vacuum harness to the HVAC module assembly.

NOTE: Refer to Fastener Notice in Service Precautions.




7. Install the PCM and the PCM bracket.

Tighten
Tighten the bolts to 1.8 N.m (16 lb in).

8. Connect the electrical connections to the following locations:
^ The blower motor
^ The blower resistors
9. Connect the wiring harness to the HVAC module assembly.
10. Install the floor air outlet.
11. Install the IP carrier.
12. Raise and support the vehicle. Refer to Lifting and Jacking the Vehicle.




13. Install the accumulator bolt (2) to the HVAC module assembly.

Tighten
Tighten the bolt to 8 N.m (71 lb in).

14. Lower the vehicle.
15. Install the remaining HVAC module assembly bolts.

Tighten
Tighten the HVAC module assembly bolts to 2 N.m (18 lb in).

16. Connect the heater hoses to the heater core.
17. Connect the evaporator tube to the evaporator.

Tighten
Tighten the fittings to 24 N.m (18 lb ft).

18. Evacuate and charge the A/C system. Refer to Refrigerant Recovery and Recharging .
19. Fill the cooling system. Refer to Draining and Filling Cooling System in Cooling System.