Operation CHARM: Car repair manuals for everyone.
Manuals through 2025 now available!

Our trusted friends have launched a new website named LEMON, which has newer manuals. It also contains all the CHARM manuals.

LEMON is the spiritual successor to CHARM, I recommend you try it!

Link: lemon-manuals.la or lemon-manuals.org.ua

(Some people have issue connecting. LEMON is investigating. For now, use Firefox or change your DNS server)

Or, hide this message: temporarily or permanently

Ground Strap: Service and Repair

GROUND STRAP REPLACEMENT

REMOVAL PROCEDURE




1. On the 3.8L engine, remove the positive cable from the engine mount stud:
^ Remove the positive nut.
^ Remove the harness clamp.
^ Remove the RF ground strap.
2. Remove the tie strap at the power steering line.




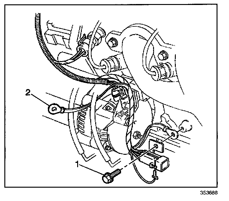
3. On the 5.7L engine, remove the engine wiring harness ground bolt (1) at the block.
4. Disconnect and reposition the oxygen sensor electrical connector.




5. Remove the wiring harness ground bolt (at frame).
6. Remove the tape attaching the ground strap to the wiring harness.
7. Remove the ground strap from the vehicle.

INSTALLATION PROCEDURE




1. Install the ground strap to the vehicle.
2. Wrap new tape around the ground strap and the wiring harness.

NOTE: Refer to Fastener Notice in Service Precautions.

3. Install the wiring harness ground bolt.

Tighten
Tighten the wiring harness ground bolt to 12 N.m (106 lb in).




4. On the 5.7L engine, connect and position the oxygen sensor electrical connector.
5. Install the engine wiring harness ground bolt (1) at the block.

Tighten
Tighten the engine wiring harness ground bolt to 25 N.m (18 lb ft).




6. On the 3.8L engine, install the positive cable to the engine mount stud.
^ Install the RF ground strap.
^ Install the harness clamp.
^ Install the positive cable.

Tighten
Tighten the positive cable nut to 25 N.m (18 lb ft).